Cub Cadet LT1 NR92 13AB77BE603 (2023) Fahrantrieb, Variator Ersatzteile
Fahrantrieb, Variator 13AB77BE603 (2023)

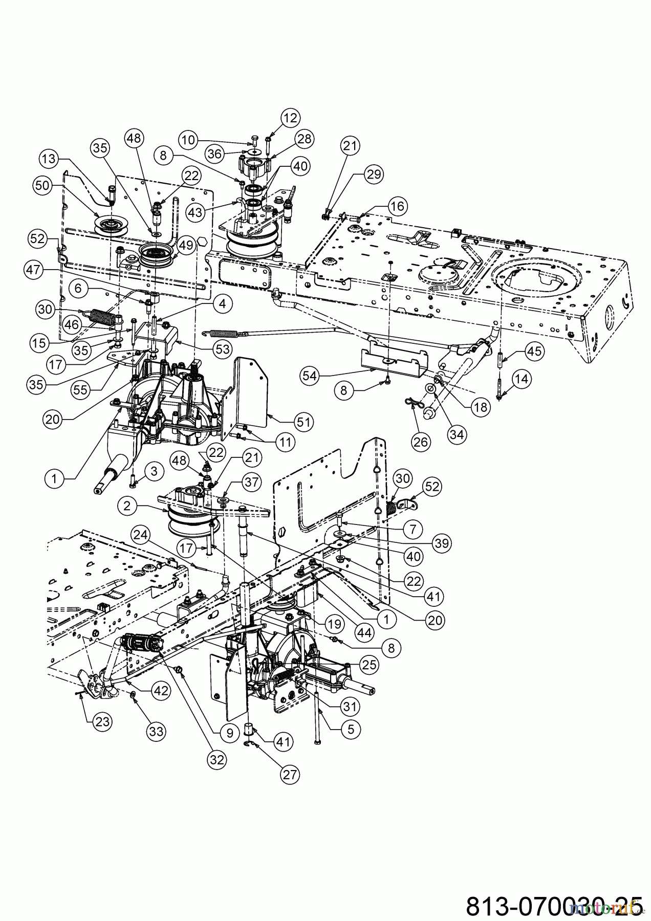
Hier finden Sie die Ersatzteilzeichnung für Cub Cadet Rasentraktoren LT1 NR92 13AB77BE603 (2023) Fahrantrieb, Variator. Wählen Sie das benötigte Ersatzteil aus der Ersatzteilliste Ihres Cub Cadet Gerätes aus und bestellen Sie einfach online. Viele Cub Cadet Ersatzteile halten wir ständig in unserem Lager für Sie bereit.


Qualitätsmanagement
Informieren Sie uns, wenn Sie einen Fehler gefunden haben.

































