Cub Cadet LT1 NR92 13AB77DE603 (2022) Fahrantrieb, Variator Ersatzteile
Fahrantrieb, Variator 13AB77DE603 (2022)

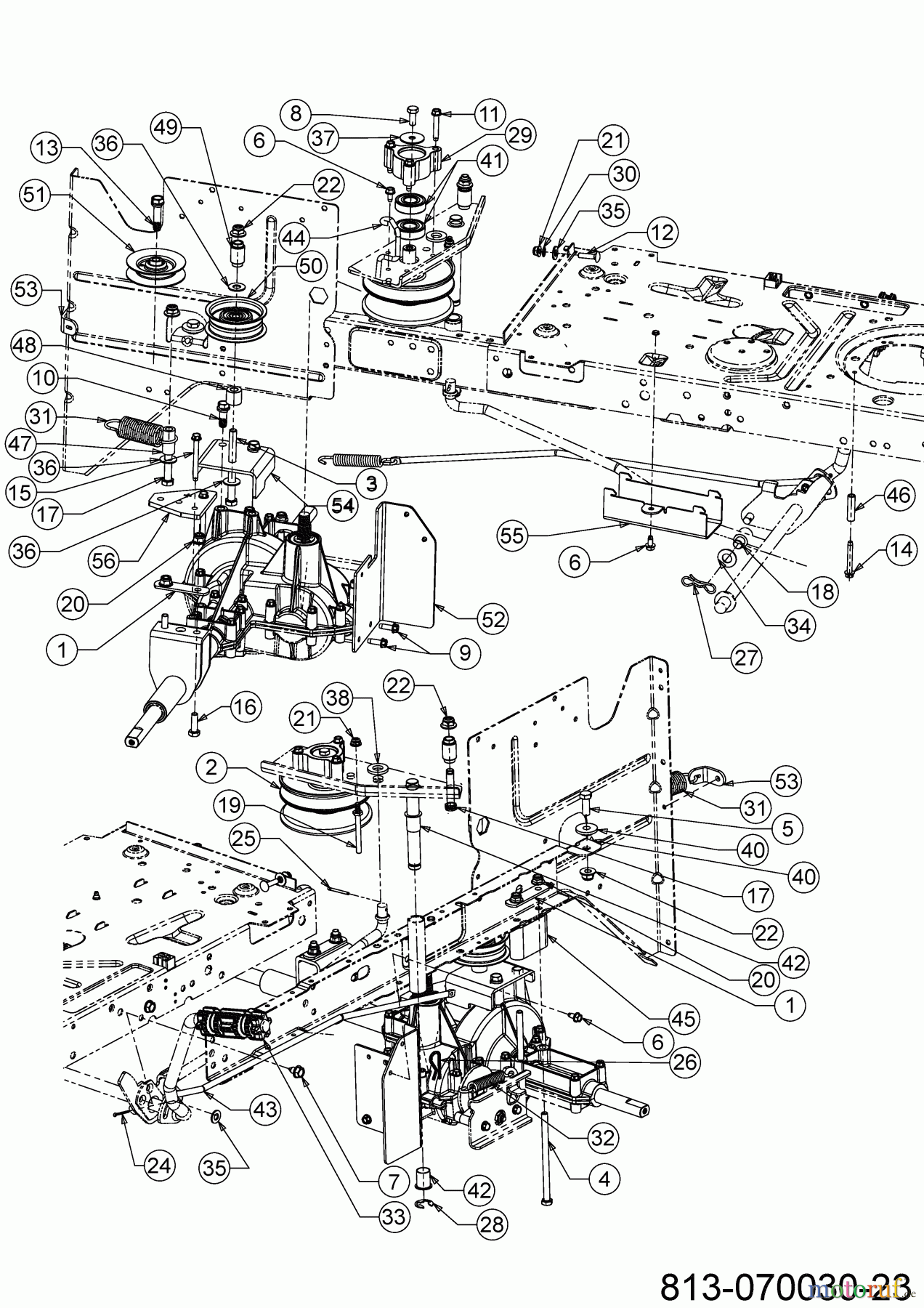
Hier finden Sie die Ersatzteilzeichnung für Cub Cadet Rasentraktoren LT1 NR92 13AB77DE603 (2022) Fahrantrieb, Variator. Wählen Sie das benötigte Ersatzteil aus der Ersatzteilliste Ihres Cub Cadet Gerätes aus und bestellen Sie einfach online. Viele Cub Cadet Ersatzteile halten wir ständig in unserem Lager für Sie bereit.



































