Cub Cadet XT1 OS96 13C8A1CF603 (2021) Lenkung Ersatzteile
Lenkung 13C8A1CF603 (2021)

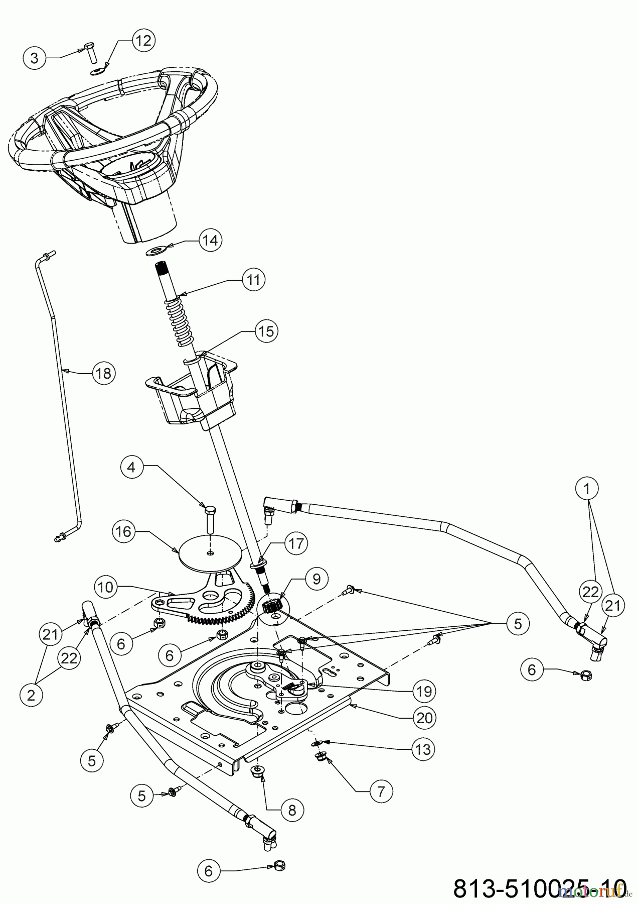
Hier finden Sie die Ersatzteilzeichnung für Cub Cadet Rasentraktoren XT1 OS96 13C8A1CF603 (2021) Lenkung. Wählen Sie das benötigte Ersatzteil aus der Ersatzteilliste Ihres Cub Cadet Gerätes aus und bestellen Sie einfach online. Viele Cub Cadet Ersatzteile halten wir ständig in unserem Lager für Sie bereit.









