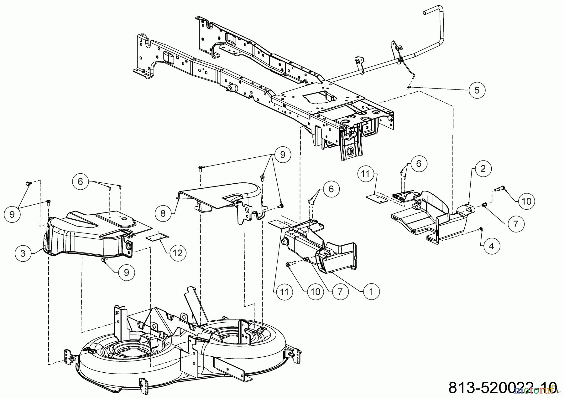
Cub Cadet XT1 OR95 13A8A1TB603 (2023) Abdeckungen Mähwerk R Ersatzteile
Abdeckungen Mähwerk R 13A8A1TB603 (2023)

Hier finden Sie die Ersatzteilzeichnung für Cub Cadet Rasentraktoren XT1 OR95 13A8A1TB603 (2023) Abdeckungen Mähwerk R. Wählen Sie das benötigte Ersatzteil aus der Ersatzteilliste Ihres Cub Cadet Gerätes aus und bestellen Sie einfach online. Viele Cub Cadet Ersatzteile halten wir ständig in unserem Lager für Sie bereit.





