Cub Cadet XT1 OR106 13A8A1TR603 (2022) Motorzubehör Ersatzteile
Motorzubehör 13A8A1TR603 (2022)

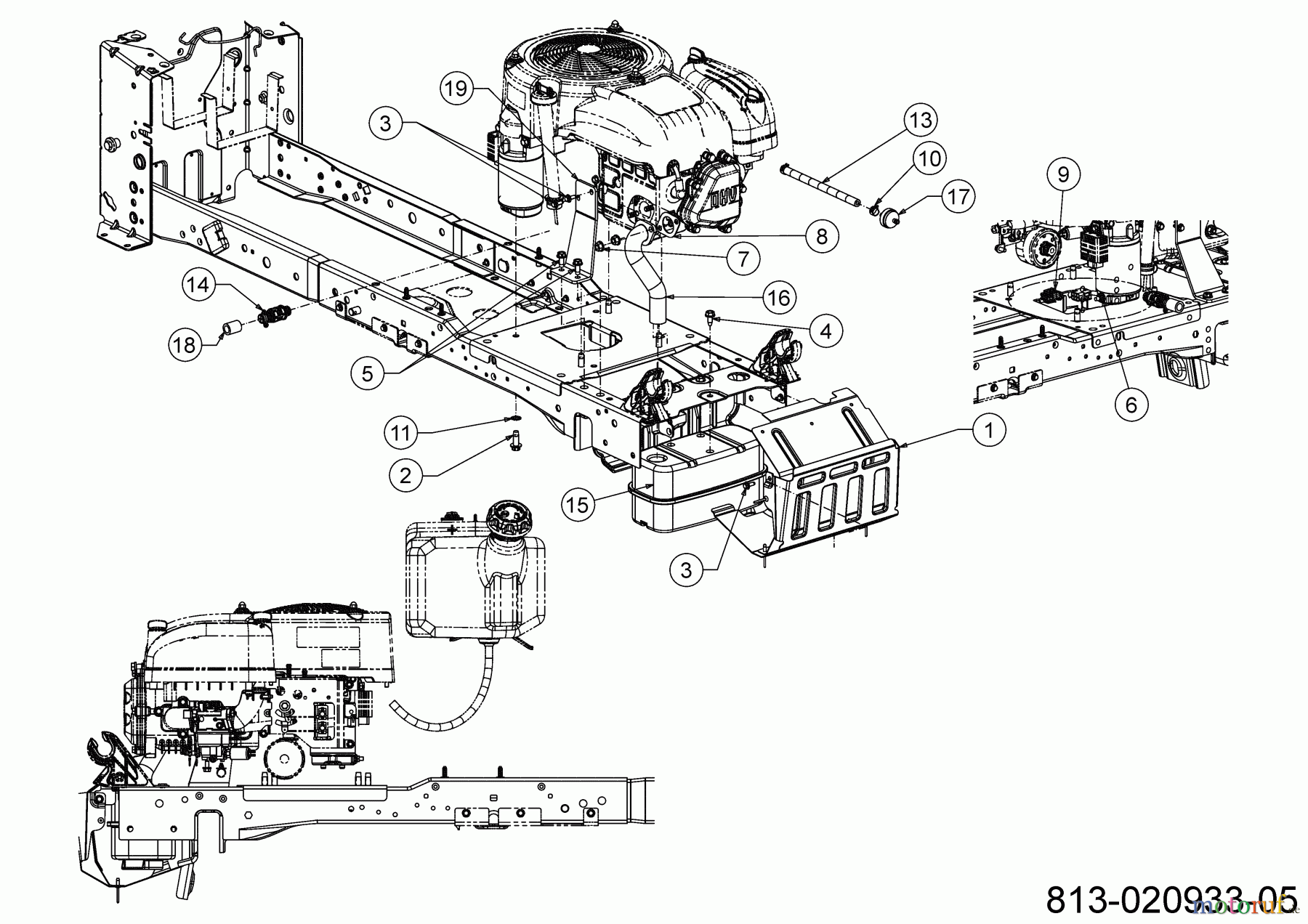
Hier finden Sie die Ersatzteilzeichnung für Cub Cadet Rasentraktoren XT1 OR106 13A8A1TR603 (2022) Motorzubehör. Wählen Sie das benötigte Ersatzteil aus der Ersatzteilliste Ihres Cub Cadet Gerätes aus und bestellen Sie einfach online. Viele Cub Cadet Ersatzteile halten wir ständig in unserem Lager für Sie bereit.


Qualitätsmanagement
Informieren Sie uns, wenn Sie einen Fehler gefunden haben.







