Cub Cadet XT2 PS107 13AGA1TS603 (2022) Keilriemenschutz Ersatzteile
Keilriemenschutz 13AGA1TS603 (2022)

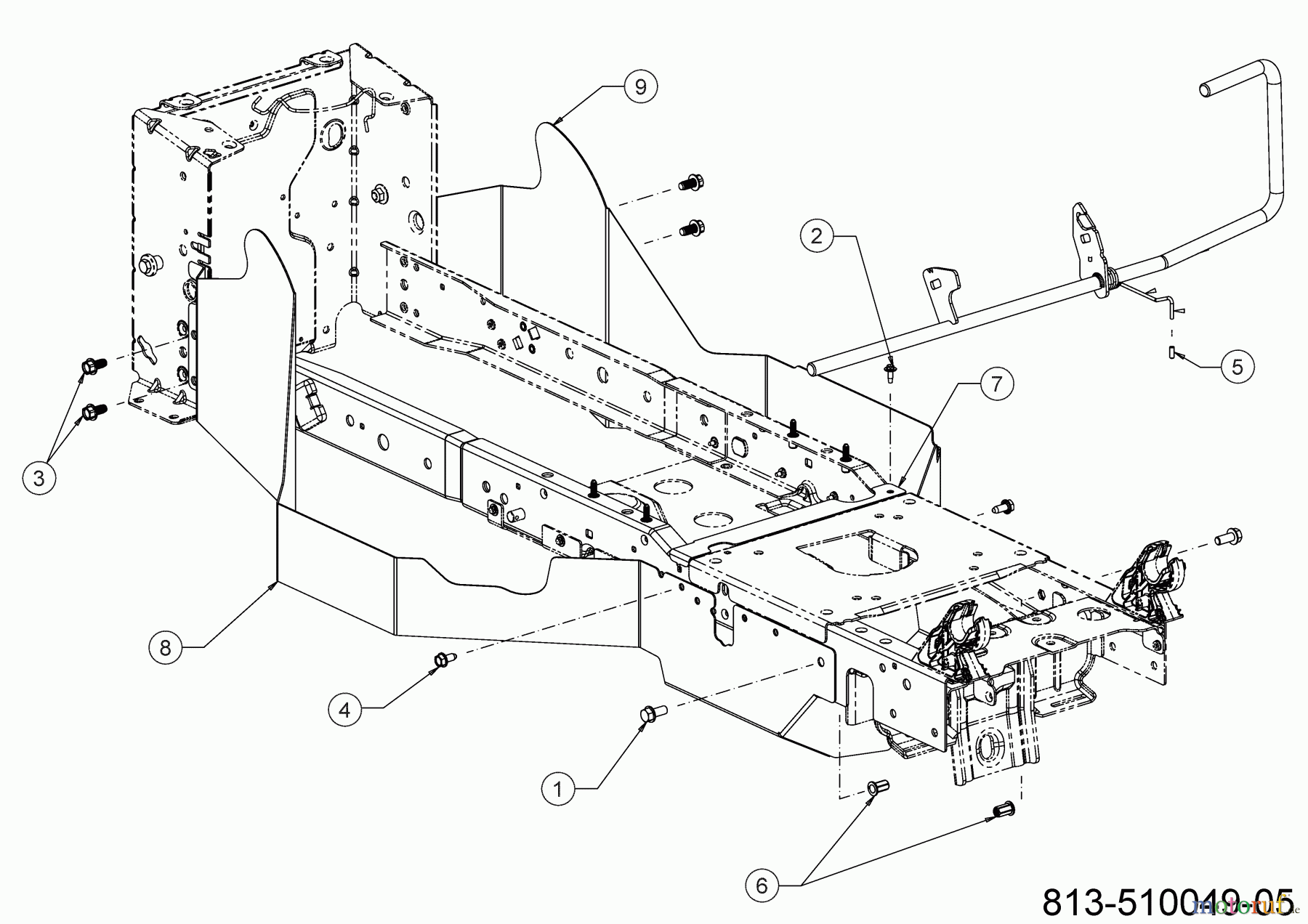
Hier finden Sie die Ersatzteilzeichnung für Cub Cadet Rasentraktoren XT2 PS107 13AGA1TS603 (2022) Keilriemenschutz. Wählen Sie das benötigte Ersatzteil aus der Ersatzteilliste Ihres Cub Cadet Gerätes aus und bestellen Sie einfach online. Viele Cub Cadet Ersatzteile halten wir ständig in unserem Lager für Sie bereit.


Qualitätsmanagement
Informieren Sie uns, wenn Sie einen Fehler gefunden haben.



