Cub Cadet XT3 QS137 14AFA5TM603 (2022) Stoßstange ab 09.12.2021 Ersatzteile
Stoßstange ab 09.12.2021 14AFA5TM603 (2022)

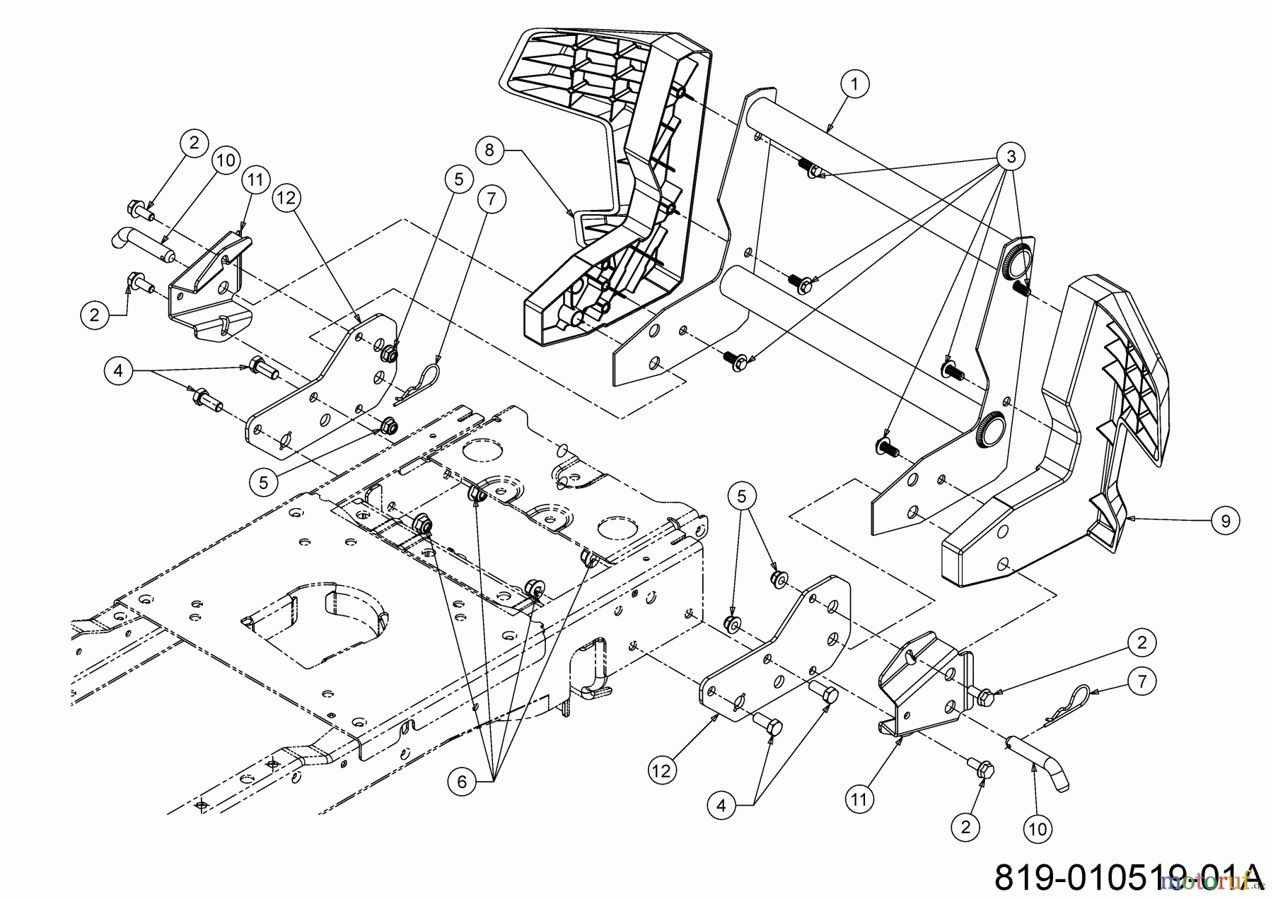
Hier finden Sie die Ersatzteilzeichnung für Cub Cadet Gartentraktoren XT3 QS137 14AFA5TM603 (2022) Stoßstange ab 09.12.2021. Wählen Sie das benötigte Ersatzteil aus der Ersatzteilliste Ihres Cub Cadet Gerätes aus und bestellen Sie einfach online. Viele Cub Cadet Ersatzteile halten wir ständig in unserem Lager für Sie bereit.


Qualitätsmanagement
Informieren Sie uns, wenn Sie einen Fehler gefunden haben.



