Husqvarna BZ 27 D (968999315) - Zero-Turn Mower (2009-07 & After) Fuel Group #2 Ersatzteile
Fuel Group #2 BZ 27 D (968999315) - Husqvarna Zero-Turn Mower (2009-07 & After)

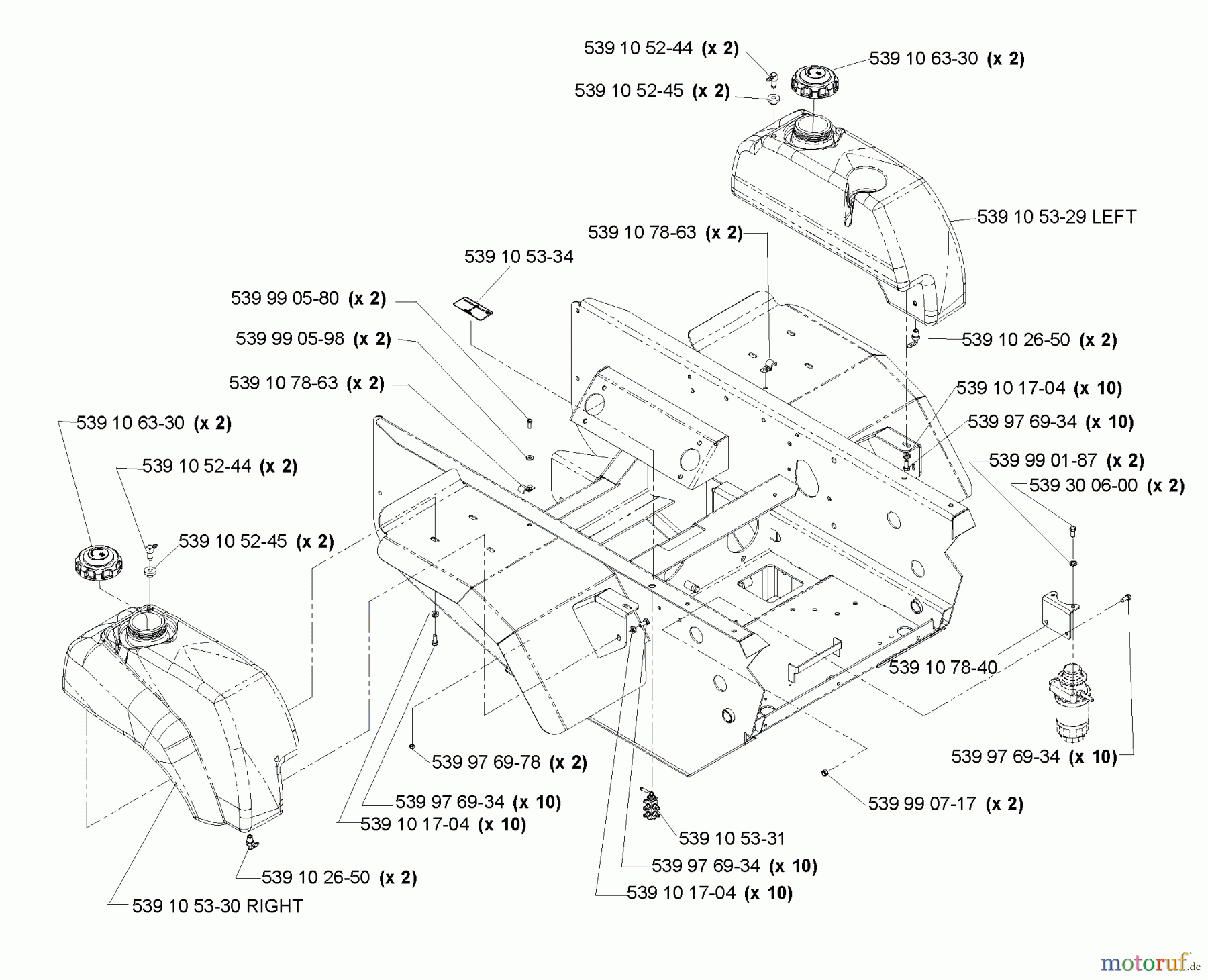
Hier finden Sie die Ersatzteilzeichnung für Husqvarna Nullwendekreismäher, Zero-Turn BZ 27 D (968999315) - Husqvarna Zero-Turn Mower (2009-07 & After) Fuel Group #2. Wählen Sie das benötigte Ersatzteil aus der Ersatzteilliste Ihres Husqvarna Gerätes aus und bestellen Sie einfach online. Viele Husqvarna Ersatzteile halten wir ständig in unserem Lager für Sie bereit.
| BildNr | Artikel Nummer | Bezeichnung | |
| 539106330 | 539 10 63-30 | TANKDECKEL | |
| 539105244 | 539 10 52-44 | ANSCHLUSSGELENK | |
| 539105245 | 539 10 52-45 | DURCHFUEHRUNG | |
| 539105334 | 539 10 53-34 | AUFKLEBER | |
| 539990580 | 539 99 05-80 | SCHRAUBE | |
| 539990598 | 539 99 05-98 | SCHEIBE | |
| 539107863 | 539 10 78-63 | KLAMMER | |
| 539976978 | 539 97 69-78 | MUTTER | |
| 539976934 | 539 97 69-34 | SCHRAUBE | |
| 539101704 | 539 10 17-04 | SCHEIBE | |
| 539102650 | 539 10 26-50 | ANSCHLUSS | |
| 539105330 | 539 10 53-30 | TANK, RECHTS | |
| 539105331 | 539 10 53-31 | VENTIL | |
| 539990717 | 539 99 07-17 | MUTTER | |
| 539107840 | 539 10 78-40 | BEFESTIGUNG | |
| 539990187 | 539 99 01-87 | Scheibe | |
| 539300600 | 539 30 06-00 | BOLZEN | |
| 539105329 | 539 10 53-29 | TANK, LINKS | |


Qualitätsmanagement
Informieren Sie uns, wenn Sie einen Fehler gefunden haben.

