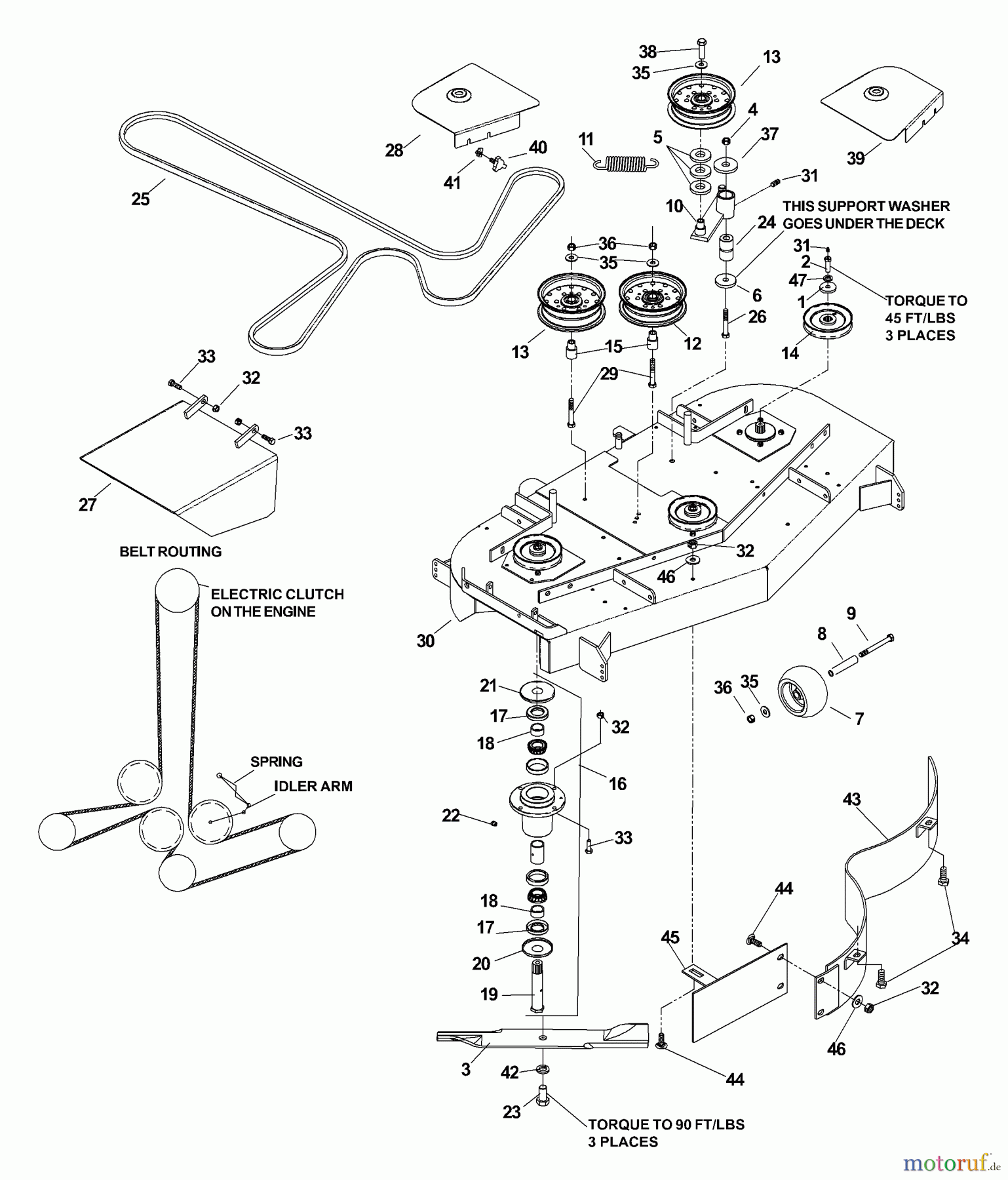
Husqvarna WH 5219EFQ (968999253) - Wide-Area Walk-Behind Mower (2005-08 to 2006-11) Deck 52" Ersatzteile
Deck 52" WH 5219EFQ (968999253) - Husqvarna Wide-Area Walk-Behind Mower (2005-08 to 2006-11)

Hier finden Sie die Ersatzteilzeichnung für Husqvarna Rasenmäher für Großflächen WH 5219EFQ (968999253) - Husqvarna Wide-Area Walk-Behind Mower (2005-08 to 2006-11) Deck 52". Wählen Sie das benötigte Ersatzteil aus der Ersatzteilliste Ihres Husqvarna Gerätes aus und bestellen Sie einfach online. Viele Husqvarna Ersatzteile halten wir ständig in unserem Lager für Sie bereit.




