Husqvarna HU 700L (96143009700) - Walk-Behind Mower (2013-03 & After) FRAME ENGINE Ersatzteile
FRAME ENGINE HU 700L (96143009700) - Husqvarna Walk-Behind Mower (2013-03 & After)

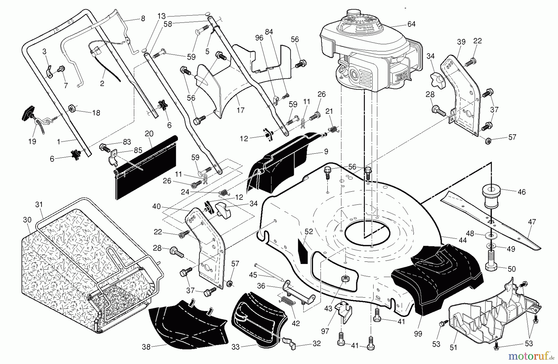
Hier finden Sie die Ersatzteilzeichnung für Husqvarna Rasenmäher HU 700L (96143009700) - Husqvarna Walk-Behind Mower (2013-03 & After) FRAME ENGINE. Wählen Sie das benötigte Ersatzteil aus der Ersatzteilliste Ihres Husqvarna Gerätes aus und bestellen Sie einfach online. Viele Husqvarna Ersatzteile halten wir ständig in unserem Lager für Sie bereit.











