Husqvarna H56 DHG (954072201) - Walk-Behind Mower (1993-01 & After) 56 DH Ersatzteile
56 DH H56 DHG (954072201) - Husqvarna Walk-Behind Mower (1993-01 & After)

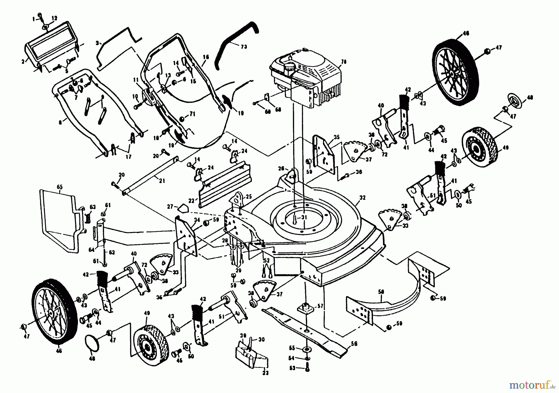
Hier finden Sie die Ersatzteilzeichnung für Husqvarna Rasenmäher H56 DHG (954072201) - Husqvarna Walk-Behind Mower (1993-01 & After) 56 DH. Wählen Sie das benötigte Ersatzteil aus der Ersatzteilliste Ihres Husqvarna Gerätes aus und bestellen Sie einfach online. Viele Husqvarna Ersatzteile halten wir ständig in unserem Lager für Sie bereit.


Qualitätsmanagement
Informieren Sie uns, wenn Sie einen Fehler gefunden haben.








