Husqvarna H56 DHB (954050701) - Walk-Behind Mower (1990-10 & After) 22" Rotary Lawn Mower Ersatzteile
22" Rotary Lawn Mower H56 DHB (954050701) - Husqvarna Walk-Behind Mower (1990-10 & After)

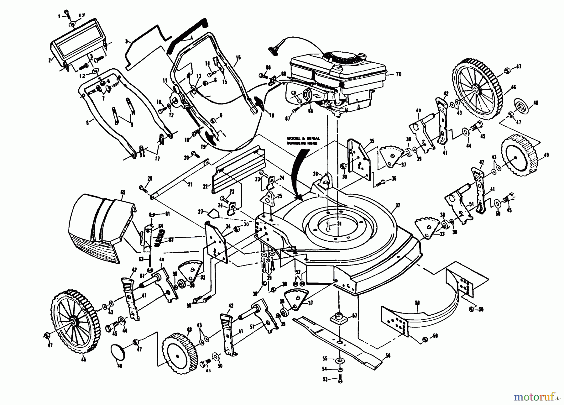
Hier finden Sie die Ersatzteilzeichnung für Husqvarna Rasenmäher H56 DHB (954050701) - Husqvarna Walk-Behind Mower (1990-10 & After) 22" Rotary Lawn Mower. Wählen Sie das benötigte Ersatzteil aus der Ersatzteilliste Ihres Husqvarna Gerätes aus und bestellen Sie einfach online. Viele Husqvarna Ersatzteile halten wir ständig in unserem Lager für Sie bereit.











