Husqvarna H51 DB (954052601) - Walk-Behind Mower (1991-01 & After) General Assembly Ersatzteile
General Assembly H51 DB (954052601) - Husqvarna Walk-Behind Mower (1991-01 & After)

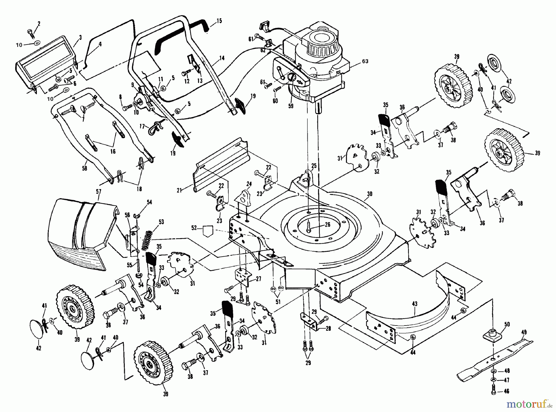
Hier finden Sie die Ersatzteilzeichnung für Husqvarna Rasenmäher H51 DB (954052601) - Husqvarna Walk-Behind Mower (1991-01 & After) General Assembly. Wählen Sie das benötigte Ersatzteil aus der Ersatzteilliste Ihres Husqvarna Gerätes aus und bestellen Sie einfach online. Viele Husqvarna Ersatzteile halten wir ständig in unserem Lager für Sie bereit.










