Husqvarna 954014314 - 350 Rotary 20" Walk-Behind Mower (2009-10 & After) Repair Parts Ersatzteile
Repair Parts 954014314 - Husqvarna 350 Rotary 20" Walk-Behind Mower (2009-10 & After)

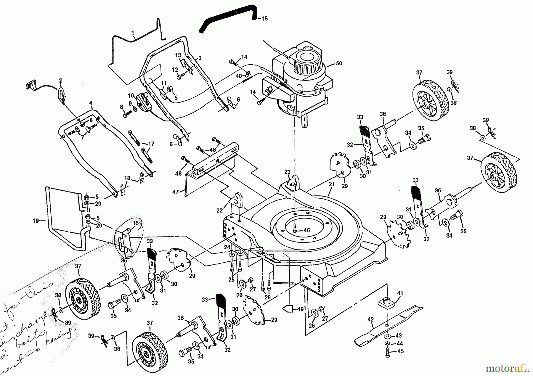
Hier finden Sie die Ersatzteilzeichnung für Husqvarna Rasenmäher 954014314 - Husqvarna 350 Rotary 20" Walk-Behind Mower (2009-10 & After) Repair Parts. Wählen Sie das benötigte Ersatzteil aus der Ersatzteilliste Ihres Husqvarna Gerätes aus und bestellen Sie einfach online. Viele Husqvarna Ersatzteile halten wir ständig in unserem Lager für Sie bereit.








