Husqvarna 6022 SPA (954222695) - Walk-Behind Mower (2001-01 & After) Rotary Lawn Mower Ersatzteile
Rotary Lawn Mower 6022 SPA (954222695) - Husqvarna Walk-Behind Mower (2001-01 & After)

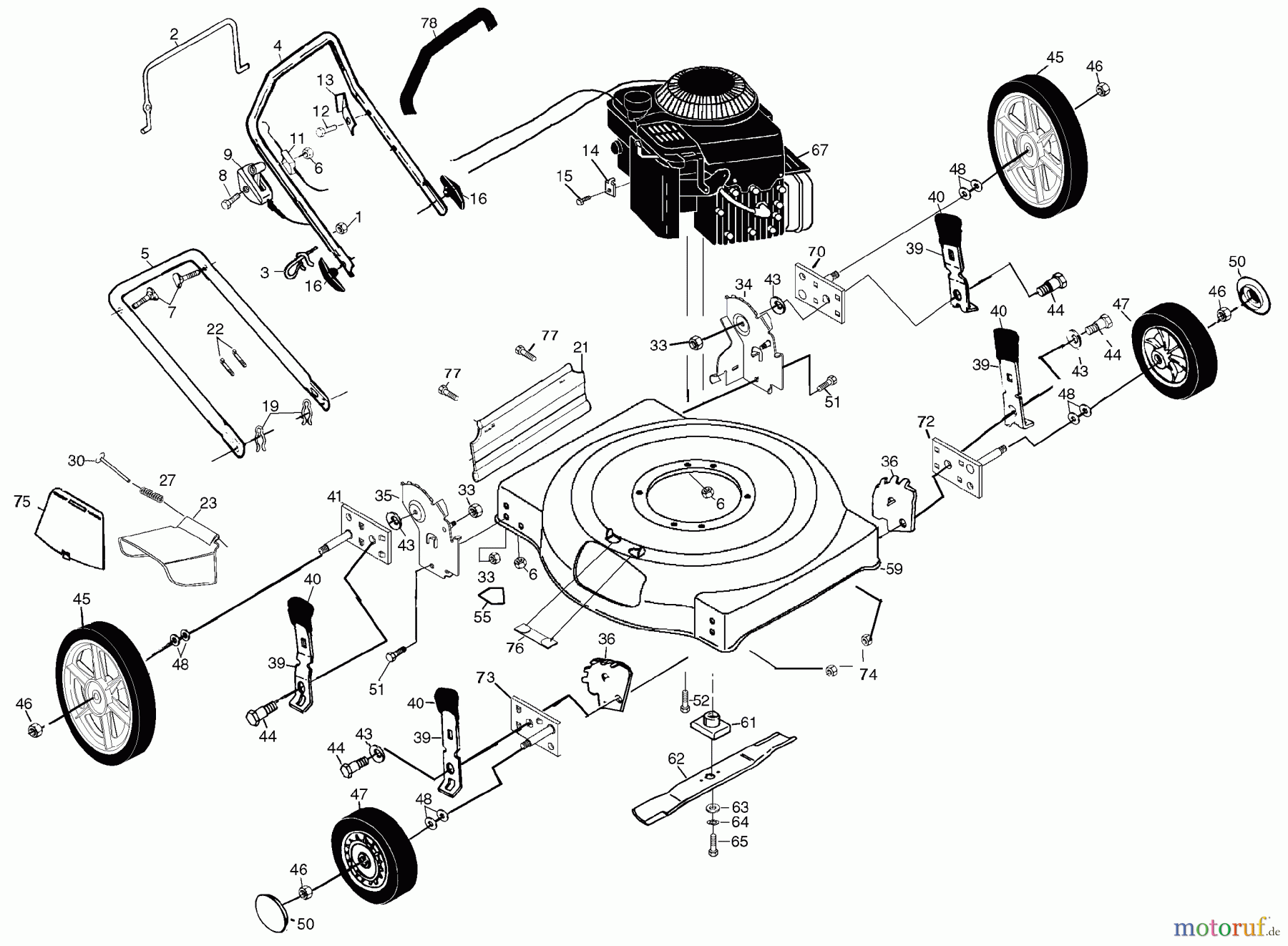
Hier finden Sie die Ersatzteilzeichnung für Husqvarna Rasenmäher 6022 SPA (954222695) - Husqvarna Walk-Behind Mower (2001-01 & After) Rotary Lawn Mower. Wählen Sie das benötigte Ersatzteil aus der Ersatzteilliste Ihres Husqvarna Gerätes aus und bestellen Sie einfach online. Viele Husqvarna Ersatzteile halten wir ständig in unserem Lager für Sie bereit.


Qualitätsmanagement
Informieren Sie uns, wenn Sie einen Fehler gefunden haben.








