Husqvarna 56 HST (954140040A) - Walk-Behind Mower (1997-07 & After) Gear Case Assembly Ersatzteile
Gear Case Assembly 56 HST (954140040A) - Husqvarna Walk-Behind Mower (1997-07 & After)

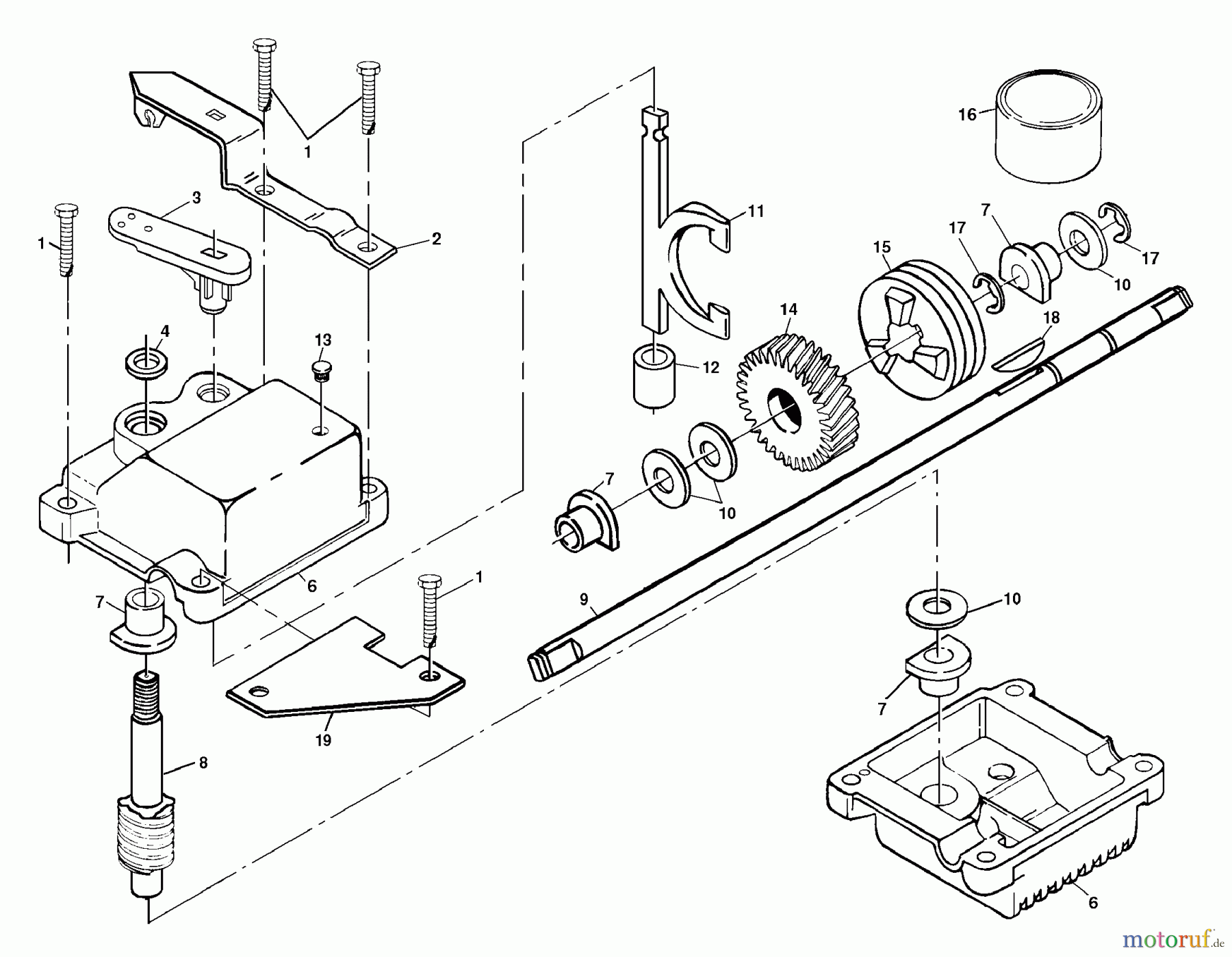
Hier finden Sie die Ersatzteilzeichnung für Husqvarna Rasenmäher 56 HST (954140040A) - Husqvarna Walk-Behind Mower (1997-07 & After) Gear Case Assembly. Wählen Sie das benötigte Ersatzteil aus der Ersatzteilliste Ihres Husqvarna Gerätes aus und bestellen Sie einfach online. Viele Husqvarna Ersatzteile halten wir ständig in unserem Lager für Sie bereit.


Qualitätsmanagement
Informieren Sie uns, wenn Sie einen Fehler gefunden haben.

