Husqvarna 56 DHS (954069101A) - Walk-Behind Mower (1995-04 & After) Drive Assembly Ersatzteile
Drive Assembly 56 DHS (954069101A) - Husqvarna Walk-Behind Mower (1995-04 & After)

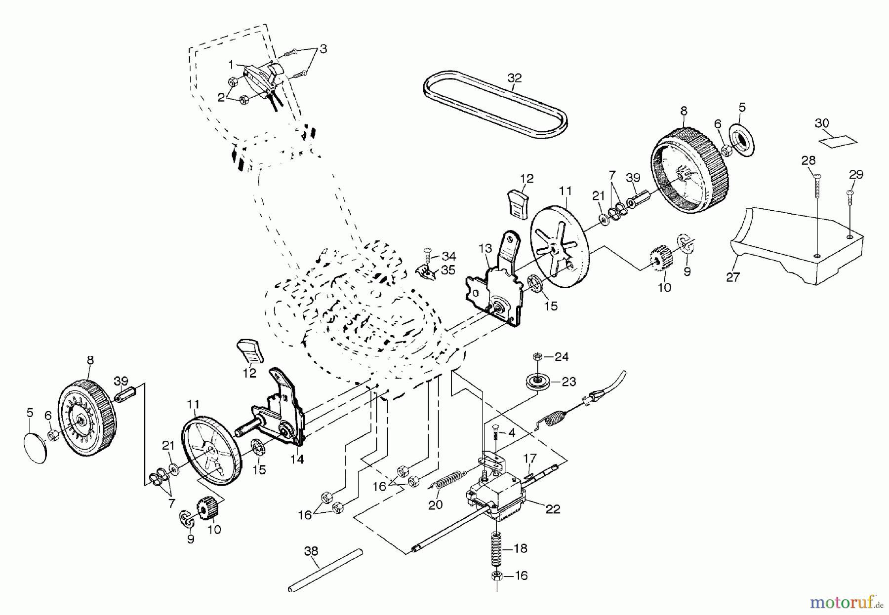
Hier finden Sie die Ersatzteilzeichnung für Husqvarna Rasenmäher 56 DHS (954069101A) - Husqvarna Walk-Behind Mower (1995-04 & After) Drive Assembly. Wählen Sie das benötigte Ersatzteil aus der Ersatzteilliste Ihres Husqvarna Gerätes aus und bestellen Sie einfach online. Viele Husqvarna Ersatzteile halten wir ständig in unserem Lager für Sie bereit.


Qualitätsmanagement
Informieren Sie uns, wenn Sie einen Fehler gefunden haben.





