Husqvarna 51 MD (954065801B) - Walk-Behind Mower (1995-03 & After) General Assembly Ersatzteile
General Assembly 51 MD (954065801B) - Husqvarna Walk-Behind Mower (1995-03 & After)

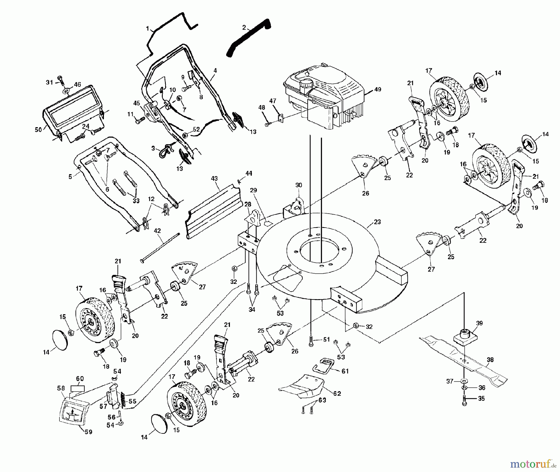
Hier finden Sie die Ersatzteilzeichnung für Husqvarna Rasenmäher 51 MD (954065801B) - Husqvarna Walk-Behind Mower (1995-03 & After) General Assembly. Wählen Sie das benötigte Ersatzteil aus der Ersatzteilliste Ihres Husqvarna Gerätes aus und bestellen Sie einfach online. Viele Husqvarna Ersatzteile halten wir ständig in unserem Lager für Sie bereit.


Qualitätsmanagement
Informieren Sie uns, wenn Sie einen Fehler gefunden haben.









