Husqvarna 51 D (954065701A) - Walk-Behind Mower (1994-07 & After) 20" Rotary Lawn Mower - Model No. 51d (954065701A) Ersatzteile
20" Rotary Lawn Mower - Model No. 51d (954065701A) 51 D (954065701A) - Husqvarna Walk-Behind Mower (1994-07 & After)

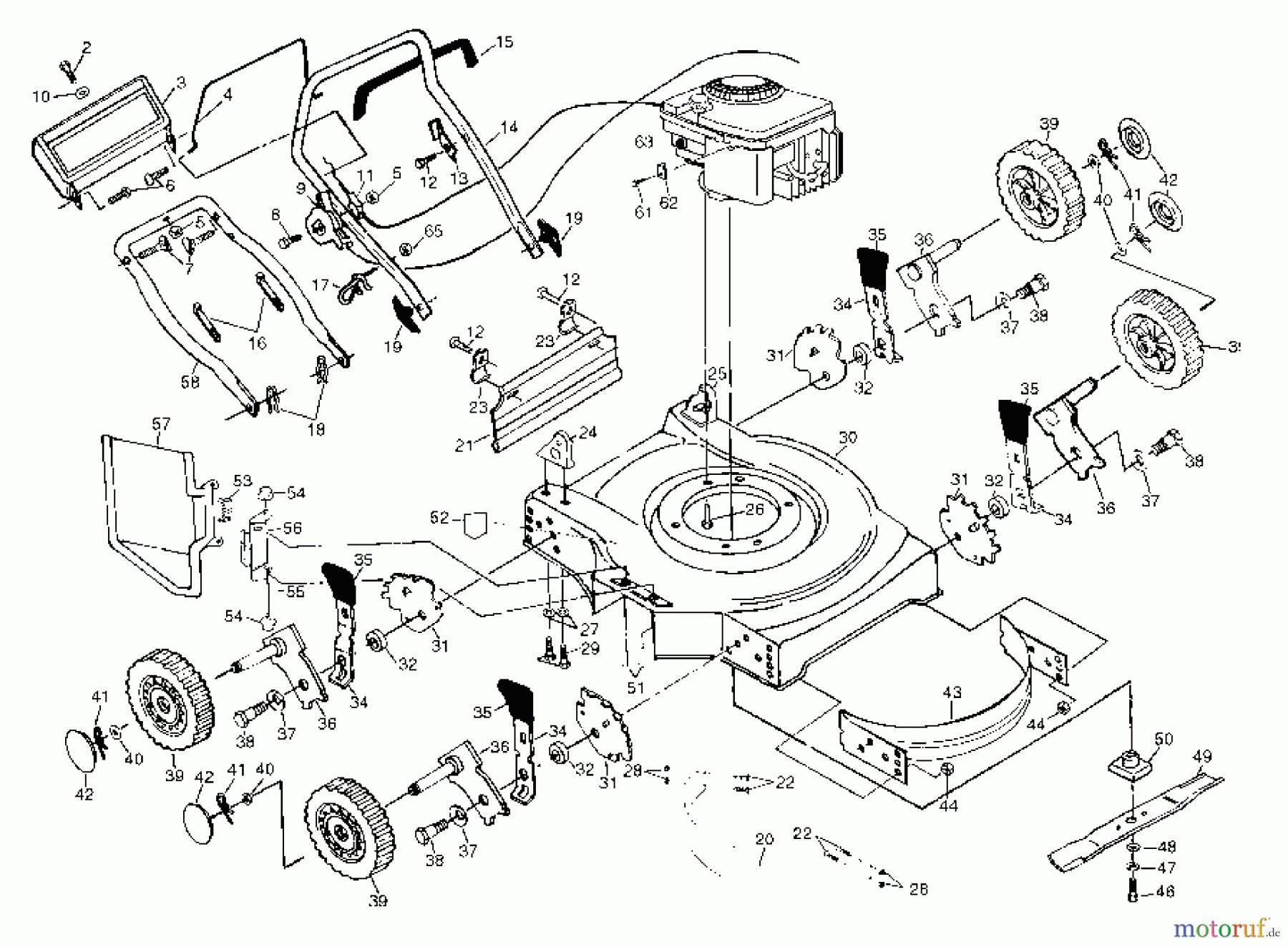
Hier finden Sie die Ersatzteilzeichnung für Husqvarna Rasenmäher 51 D (954065701A) - Husqvarna Walk-Behind Mower (1994-07 & After) 20" Rotary Lawn Mower - Model No. 51d (954065701A). Wählen Sie das benötigte Ersatzteil aus der Ersatzteilliste Ihres Husqvarna Gerätes aus und bestellen Sie einfach online. Viele Husqvarna Ersatzteile halten wir ständig in unserem Lager für Sie bereit.


Qualitätsmanagement
Informieren Sie uns, wenn Sie einen Fehler gefunden haben.







