Husqvarna 5/40 - Reel Mower (1980-06 & After) Spare Parts (5/40) Ersatzteile
Spare Parts (5/40) 5/40 - Husqvarna Reel Mower (1980-06 & After)

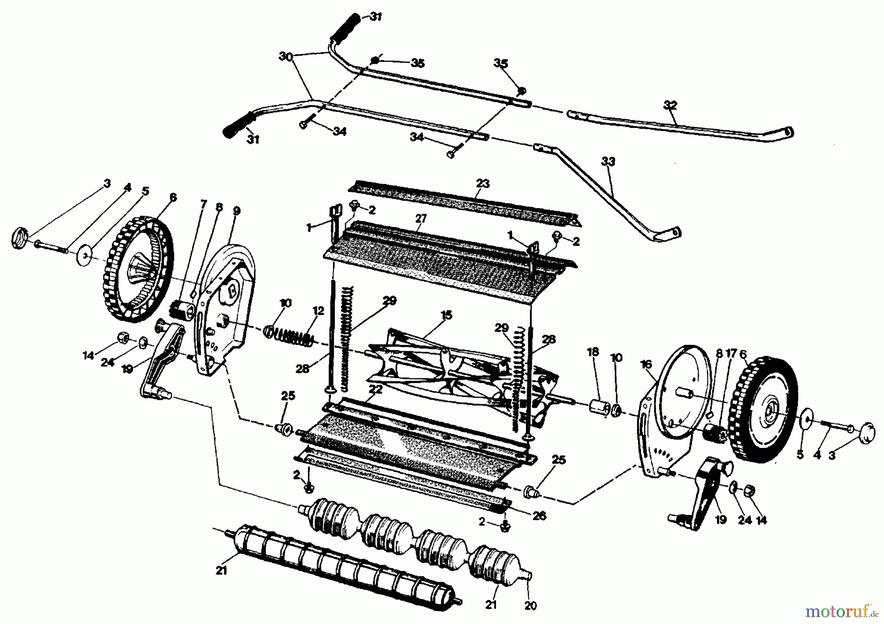
Hier finden Sie die Ersatzteilzeichnung für Husqvarna Rasenmäher 5/40 - Husqvarna Reel Mower (1980-06 & After) Spare Parts (5/40). Wählen Sie das benötigte Ersatzteil aus der Ersatzteilliste Ihres Husqvarna Gerätes aus und bestellen Sie einfach online. Viele Husqvarna Ersatzteile halten wir ständig in unserem Lager für Sie bereit.



