Husqvarna Rider Pro 15 - Rear-Engine Rider (2003-01 & After) Engine Ersatzteile
Engine Rider Pro 15 - Husqvarna Rear-Engine Rider (2003-01 & After)

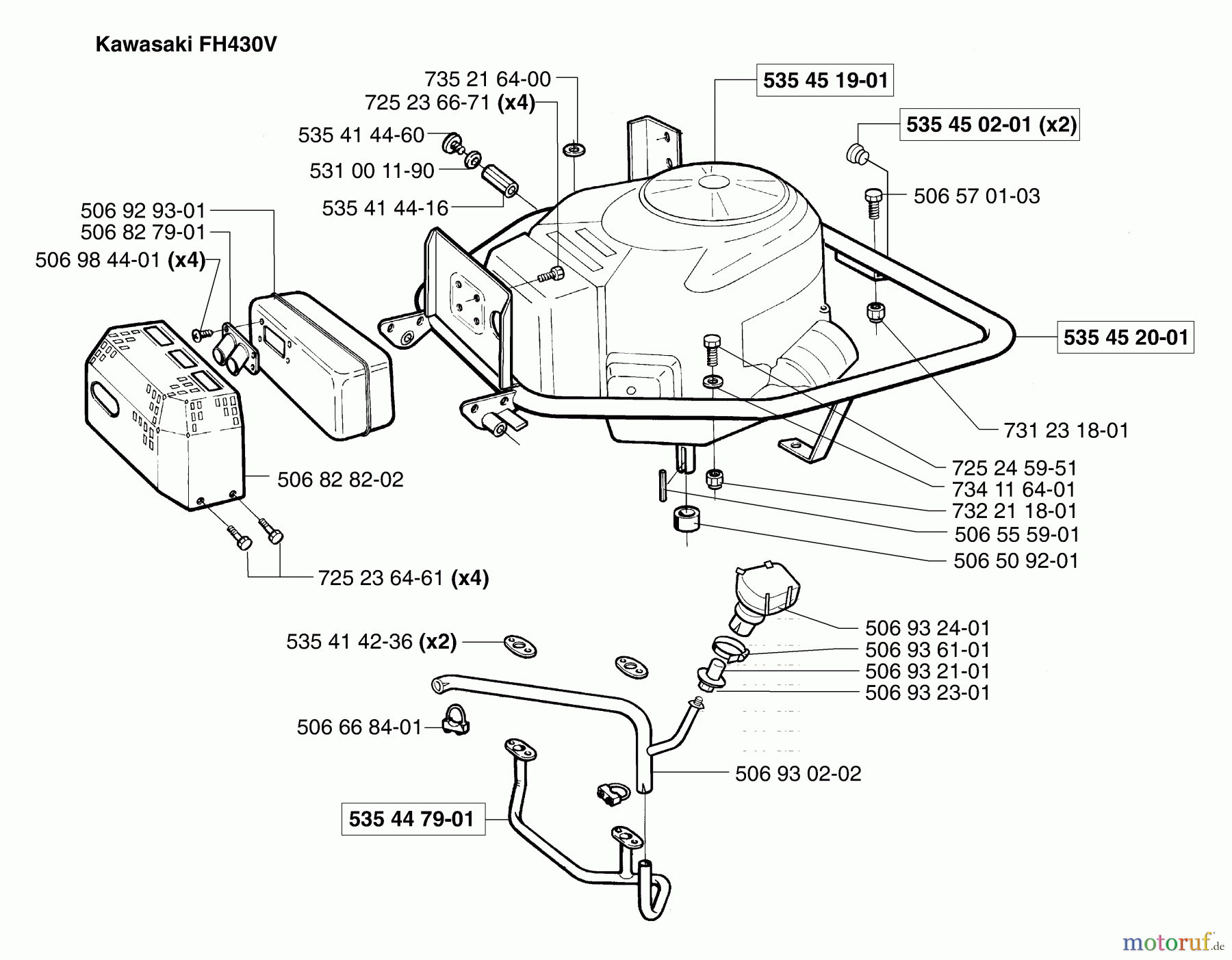
Hier finden Sie die Ersatzteilzeichnung für Husqvarna Reitermäher, Motor hinten Rider Pro 15 - Husqvarna Rear-Engine Rider (2003-01 & After) Engine. Wählen Sie das benötigte Ersatzteil aus der Ersatzteilliste Ihres Husqvarna Gerätes aus und bestellen Sie einfach online. Viele Husqvarna Ersatzteile halten wir ständig in unserem Lager für Sie bereit.
| BildNr | Artikel Nummer | Bezeichnung | |
| 506509201 | 506 50 92-01 | ABSTANDHÜLSE | |
| 506555901 | 506 55 59-01 | Keil | |
| 506570103 | 506 57 01-03 | BOLZEN | |
| 506668401 | 506 66 84-01 | KLAMMER | |
| 506827901 | 506 82 79-01 | ROHR | |
| 506828202 | 506 82 82-01 | SCHUTZ | |
| 506929301 | 506 92 93-02 | SCHALLDAEMPFER | |
| 506930202 | 506 93 02-02 | ROHR | |
| 506932101 | 506 93 21-01 | SCHLAUCH | |
| 506932301 | 506 93 23-01 | VENTIL | |
| 506932401 | 506 93 24-01 | LUFTFILTER KPL. | |
| 506936101 | 506 93 61-01 | ROHRSCHELLE | |
| 506984401 | 506 98 44-01 | SCHRAUBE | |
| 531001190 | 531 00 11-90 | O-RING KAWA-ET | |
| 535414236 | 535 41 42-36 | DICHTUNG KAWA-ET | |
| 535414416 | 535 41 44-16 | GELENK KAWA-ET | |
| 535414460 | 535 41 44-60 | PFROPFEN KAWA-ET | |
| 535447901 | 535 44 79-01 | ROHR | |
| 535450201 | 535 45 02-01 | PFROPFEN | |
| 535451901 | 535 45 19-01 | MOTOR(KAWASAKI FH430V) | |
| 535452001 | 535 45 20-01 | FANGBUEGEL | |
| 725236461 | 725 23 64-61 | SCHRAUBE | |
| 725236671 | 725 23 66-71 | SCHRAUBE | |
| 725245951 | 725 24 59-51 | SCHRAUBE | |
| 731231801 | 531 00 95-41 | Mutter | |
| 732211801 | ![]() | 732 21 18-01 | MUTTER |
| 734116401 | 734 11 64-01 | SCHEIBE | |
| 735216400 | 735 21 64-00 | SCHEIBE | |


Qualitätsmanagement
Informieren Sie uns, wenn Sie einen Fehler gefunden haben.


