Husqvarna Rider 970 HST - Swedish Rider (1997-02 & After) Belt Tensioner Assembly Ersatzteile
Belt Tensioner Assembly Rider 970 HST - Husqvarna Swedish Rider (1997-02 & After)

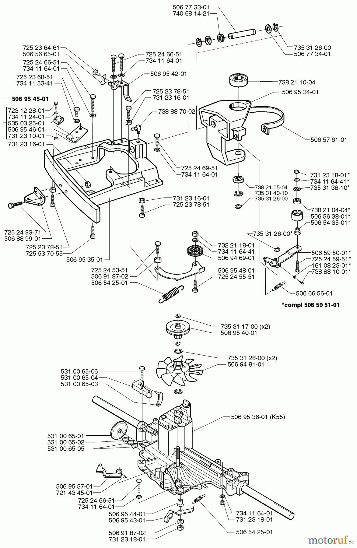
Hier finden Sie die Ersatzteilzeichnung für Husqvarna Reitermäher, Motor hinten Rider 970 HST - Husqvarna Swedish Rider (1997-02 & After) Belt Tensioner Assembly. Wählen Sie das benötigte Ersatzteil aus der Ersatzteilliste Ihres Husqvarna Gerätes aus und bestellen Sie einfach online. Viele Husqvarna Ersatzteile halten wir ständig in unserem Lager für Sie bereit.















