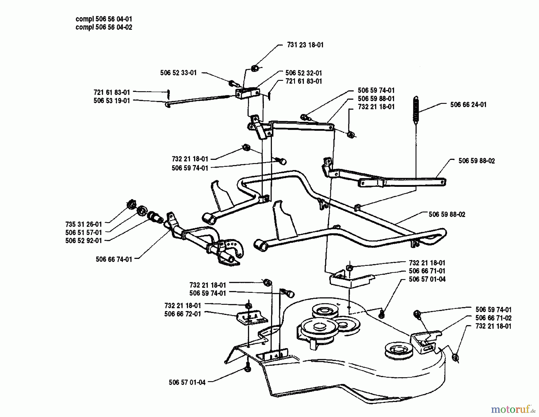
Husqvarna Rider 850 8 - Swedish Rider (1990-02 & After) Cutter Deck Assembly Ersatzteile
Cutter Deck Assembly Rider 850 8 - Husqvarna Swedish Rider (1990-02 & After)

Hier finden Sie die Ersatzteilzeichnung für Husqvarna Reitermäher, Motor hinten Rider 850 8 - Husqvarna Swedish Rider (1990-02 & After) Cutter Deck Assembly. Wählen Sie das benötigte Ersatzteil aus der Ersatzteilliste Ihres Husqvarna Gerätes aus und bestellen Sie einfach online. Viele Husqvarna Ersatzteile halten wir ständig in unserem Lager für Sie bereit.
| BildNr | Artikel Nummer | Bezeichnung | |
| 506560401 | 506560401 | ||
| 506560402 | 506560402 | ||
| 721618301 | 721 61 83-01 | SPLINT | |
| 506531901 | 506 53 19-01 | GESTAENGE | |
| 506523301 | 506 52 33-01 | BOLZEN | |
| 735312601 | ![]() | 735 31 26-00 | SPERRING |
| 506515701 | 506 51 57-01 | SCHEIBE | |
| 506529201 | 506 52 92-01 | BUCHSE | |
| 506667401 | 506667401 | ||
| 732211801 | ![]() | 732 21 18-01 | MUTTER |
| 506667201 | 506 66 72-01 | BRACKET | |
| 506570104 | 506 57 01-04 | SCHRAUBE | |
| 506597401 | ![]() | 506 59 74-01 | SCHRAUBE |
| 506667102 | 506 66 71-02 | BRACKET | |
| 506667101 | 506 66 71-01 | Halter | |
| 506598802 | 506598802 | ||
| 506662401 | 506 66 24-01 | SPRING | |
| 506598801 | 506598801 | ||
| 506523201 | 506 52 32-01 | BUEGEL | |
| 731231801 | 531 00 95-41 | Mutter | |






