Husqvarna Rider 175 - Rear-Engine Rider (2008-05 & After) Pedals Ersatzteile
Pedals Rider 175 - Husqvarna Rear-Engine Rider (2008-05 & After)

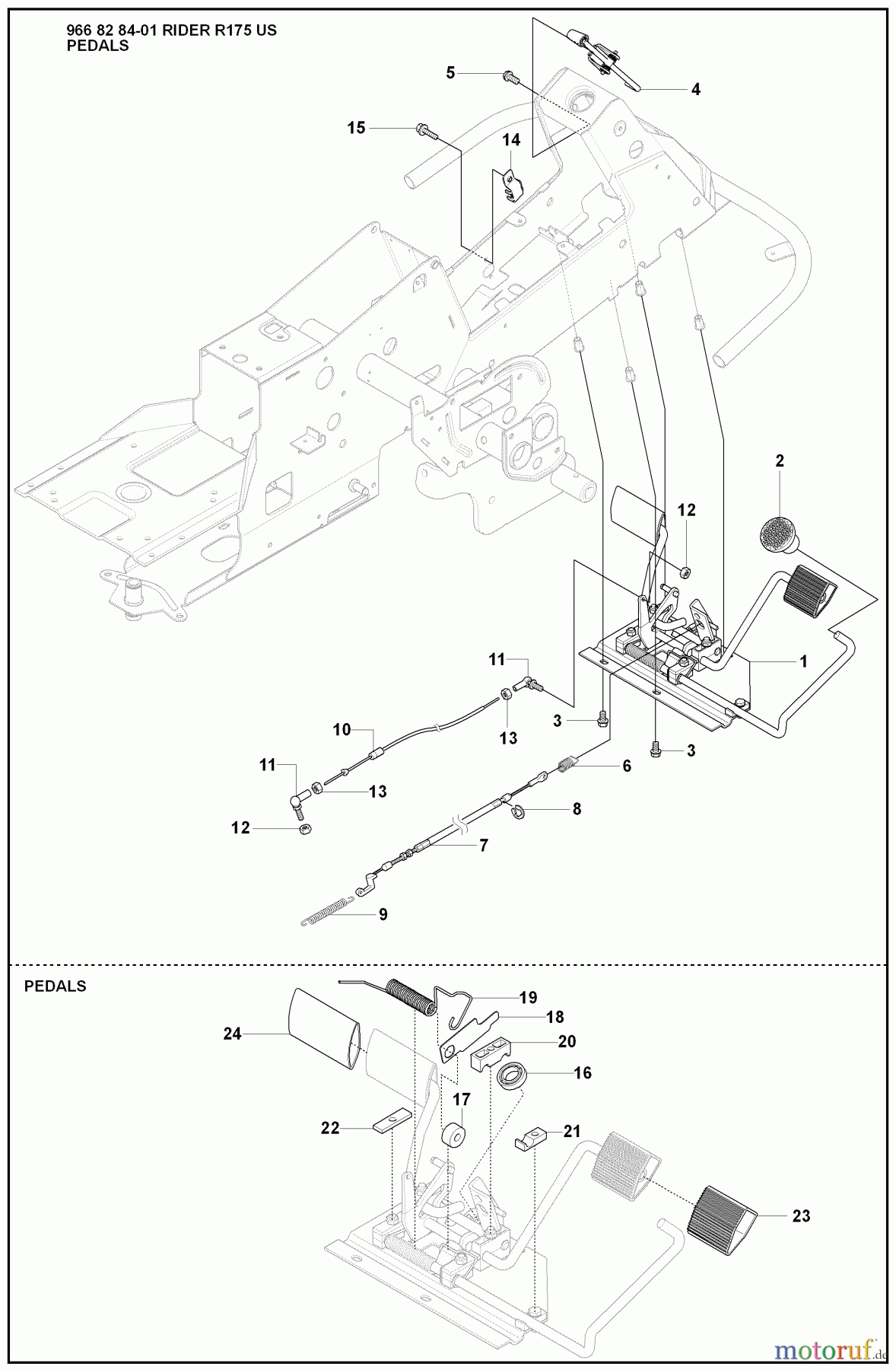
Hier finden Sie die Ersatzteilzeichnung für Husqvarna Reitermäher, Motor hinten Rider 175 - Husqvarna Rear-Engine Rider (2008-05 & After) Pedals. Wählen Sie das benötigte Ersatzteil aus der Ersatzteilliste Ihres Husqvarna Gerätes aus und bestellen Sie einfach online. Viele Husqvarna Ersatzteile halten wir ständig in unserem Lager für Sie bereit.






