Husqvarna YTHK 180 (HCYTHK180A) - Yard Tractor (1996-01 & After) Mower Lift Ersatzteile
Mower Lift YTHK 180 (HCYTHK180A) - Husqvarna Yard Tractor (1996-01 & After)

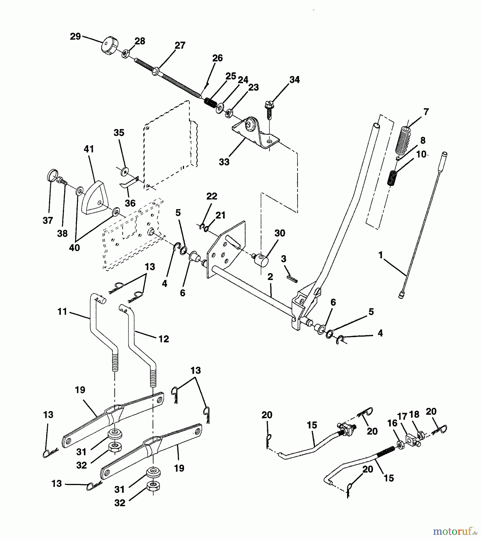
Hier finden Sie die Ersatzteilzeichnung für Husqvarna Rasen und Garten Traktoren YTHK 180 (HCYTHK180A) - Husqvarna Yard Tractor (1996-01 & After) Mower Lift. Wählen Sie das benötigte Ersatzteil aus der Ersatzteilliste Ihres Husqvarna Gerätes aus und bestellen Sie einfach online. Viele Husqvarna Ersatzteile halten wir ständig in unserem Lager für Sie bereit.


Qualitätsmanagement
Informieren Sie uns, wenn Sie einen Fehler gefunden haben.







