Husqvarna YT 140H (954000151) (H14H38B) - Yard Tractor (1991-01 & After) Drive (Part 1) Ersatzteile
Drive (Part 1) YT 140H (954000151) (H14H38B) - Husqvarna Yard Tractor (1991-01 & After)

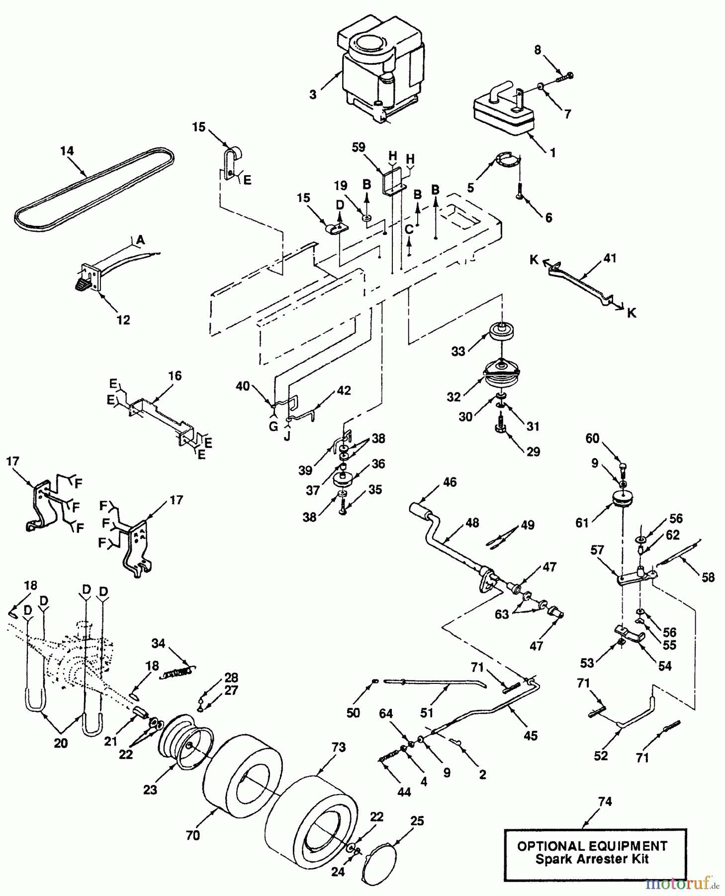
Hier finden Sie die Ersatzteilzeichnung für Husqvarna Rasen und Garten Traktoren YT 140H (954000151) (H14H38B) - Husqvarna Yard Tractor (1991-01 & After) Drive (Part 1). Wählen Sie das benötigte Ersatzteil aus der Ersatzteilliste Ihres Husqvarna Gerätes aus und bestellen Sie einfach online. Viele Husqvarna Ersatzteile halten wir ständig in unserem Lager für Sie bereit.


Qualitätsmanagement
Informieren Sie uns, wenn Sie einen Fehler gefunden haben.









