Einstellungen Computer

Husqvarna YT 120 (954000061) - Yard Tractor (1990-01 & After) Power And Mechanical Controls Group Ersatzteile

Power And Mechanical Controls Group YT 120 (954000061) - Husqvarna Yard Tractor (1990-01 & After)

 Husqvarna Rasen und Garten Traktoren YT 120 (954000061) - Husqvarna Yard Tractor (1990-01 & After) Power And Mechanical Controls Group

Hier finden Sie die Ersatzteilzeichnung für Husqvarna Rasen und Garten Traktoren YT 120 (954000061) - Husqvarna Yard Tractor (1990-01 & After) Power And Mechanical Controls Group. Wählen Sie das benötigte Ersatzteil aus der Ersatzteilliste Ihres Husqvarna Gerätes aus und bestellen Sie einfach online. Viele Husqvarna Ersatzteile halten wir ständig in unserem Lager für Sie bereit.

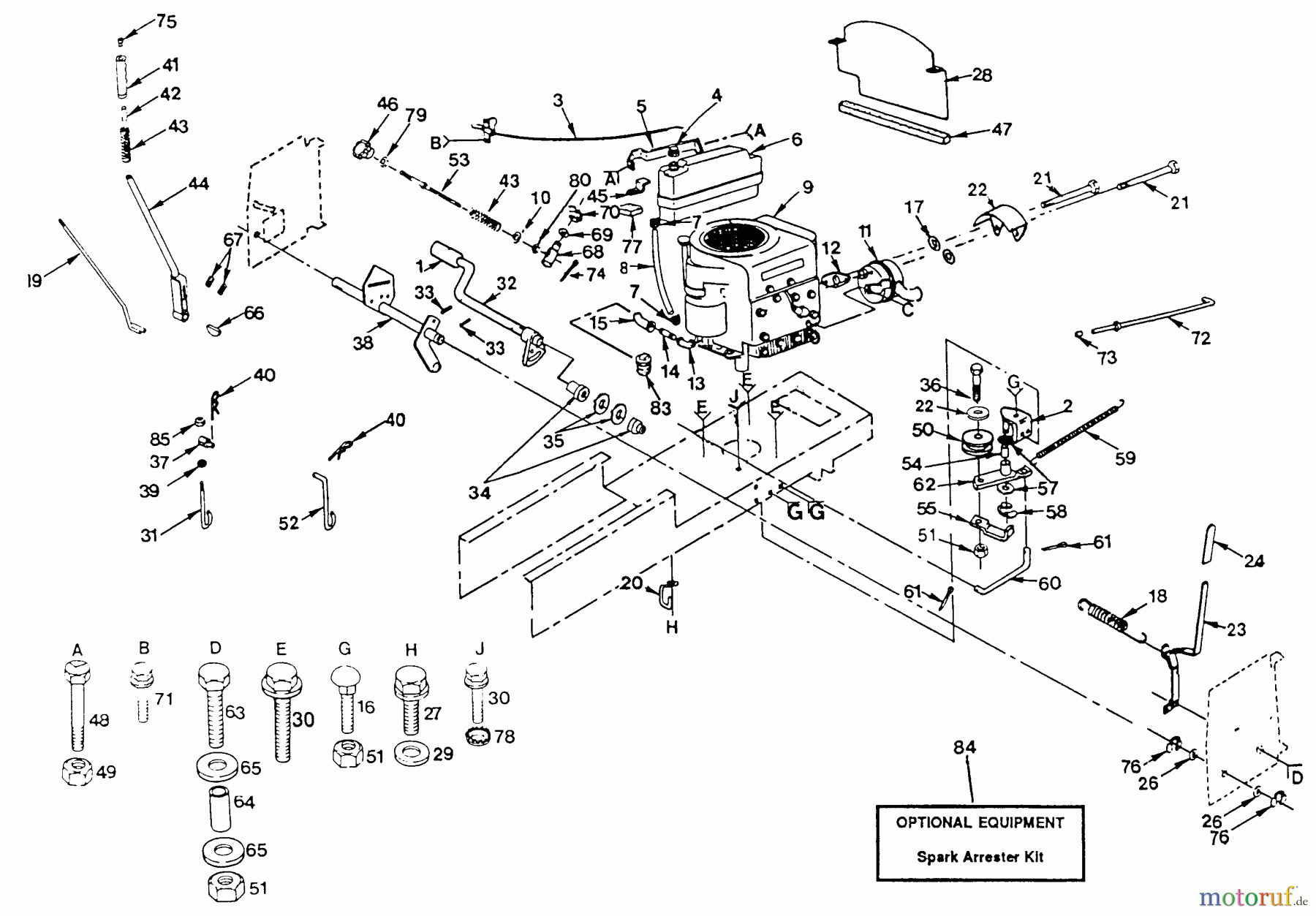
BildNrArtikel NummerBezeichnung
1 532 00 88-83PEDALGUMMI
2 532 12 31-02BRACKET
3 532 12 12-75THROTTLE TRIGGER
4 532 00 85-04TANKDECKEL
5 532 12 12-81SUPPORT
6 532 12 12-80TANK
7 532 12 34-87KLEMME
8 863083730
9 532124136
10 819 13 10-16SCHEIBE
11 532121304
12 532 27 22-93DICHTUNG
13 813 31 03-00VERSCHRAUBUNG WINKEL
14 813 28 03-28ABSTANDSHUELSE
15 532 42 82-87OEL ABFLUSSVENTIL
16 872 14 06-06BOLZEN
17 532 05 21-60SCHEIBE
18 532 10 27-27FEDER
19 532 12 17-19GESTAENGE
20 532 12 12-18BELT GUIDE
21 532121744
22 532121742
23 532106983
24 532 12 49-17HANDLE
25 819 13 13-16SCHEIBE
26 819 29 20-16SCHEIBE
27 874 78 06-12BOLZEN
28 532 12 64-23GUARD
29 Husqvarna Scheibe 3/8734 11 72-01Scheibe 3/8
30 874 76 06-20SCHRAUBE
31 532 11 04-48HOEHENVERSTELLUNG
32 532122424
33 532 00 15-72PIN
34 532 12 01-83LAGER
35 819 21 16-16SCHEIBE
36 874 76 06-44SCHRAUBE
37 532 13 27-93JUSTIERSTÜCK
38 532120174
39 873 61 07-00MUTTER
40 532 12 46-70RETAINING RING
41 532 10 94-13GRIFF
42 532 12 59-25KNOPF
43 532 00 28-76FEDER
44 532 12 17-18HEBEL
45 532 10 47-99Klemme
46 532121891
47 532 10 50-37SCHAUMSTOFF
48 874 78 05-12BOLZEN
49 Husqvarna MUTTER873 80 05-00MUTTER
50 532 13 92-45RIEMENSCHEIBE
51 Husqvarna MUTTER873 68 06-00MUTTER
52 532 11 00-29VERBINDUNG
53 532110729
54 532 10 57-06HUELSE
55 Husqvarna FUEHRUNG532 12 32-05FUEHRUNG
57 532110812
58 812 00 00-39FEDERRING
59 Husqvarna FEDER532 10 57-09FEDER
60 532 19 96-52GELENK
61 876 02 04-12SCHRAUBE
62 532 12 37-89FUEHRUNG
63 874 93 06-24SCHRAUBE F. MH 31
64 532108056
65 819121612
66 532 12 49-97KEIL 1/4X1
67 823 18 06-06Schraube
68 532 11 08-10ABSTANDSHUELSE
69 819 15 12-16SCHEIBE
70 812 00 00-37SICHERUNGSRING
71 539 99 00-72SCHRAUBE
72 532 13 32-61STUETZE
73 532 07 16-73DECKEL
74 532 00 31-45SPLINT
75 532 12 45-26KNOB
76 812 00 00-22FEDERRING
77 532006431
78 Husqvarna SCHEIBE810 04 06-00SCHEIBE
79 873 22 06-00MUTTER
80 532 11 08-07MUTTER
83 813 29 03-00PFROPFEN
84 532 12 18-51Funkenfänger
85 873 71 07-00MUTTER
Rasen
Bankeinzug, MasterCard, Visa, American Express, PayPal, Nachnahme, Vorauskasse, Sofortüberweisung
Datenschutzerklärung Impressum
Qualitätsmanagement
Informieren Sie uns, wenn Sie einen Fehler gefunden haben.