Husqvarna LTH 2142 (96041023600) - Lawn Tractor (2011-05 & After) SCHEMATIC Ersatzteile
SCHEMATIC LTH 2142 (96041023600) - Husqvarna Lawn Tractor (2011-05 & After)

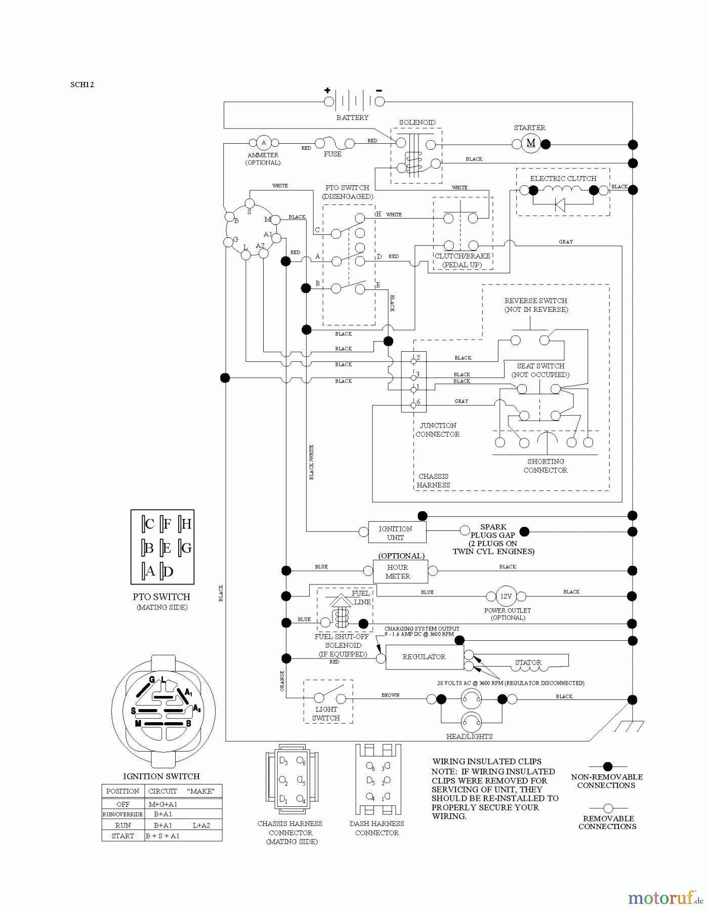
Hier finden Sie die Ersatzteilzeichnung für Husqvarna Rasen und Garten Traktoren LTH 2142 (96041023600) - Husqvarna Lawn Tractor (2011-05 & After) SCHEMATIC. Wählen Sie das benötigte Ersatzteil aus der Ersatzteilliste Ihres Husqvarna Gerätes aus und bestellen Sie einfach online. Viele Husqvarna Ersatzteile halten wir ständig in unserem Lager für Sie bereit.



