Husqvarna LRH 125 (954000622) (HN125HR38B) - Lawn Tractor (1994-01 & After) Front Axle Ersatzteile
Front Axle LRH 125 (954000622) (HN125HR38B) - Husqvarna Lawn Tractor (1994-01 & After)

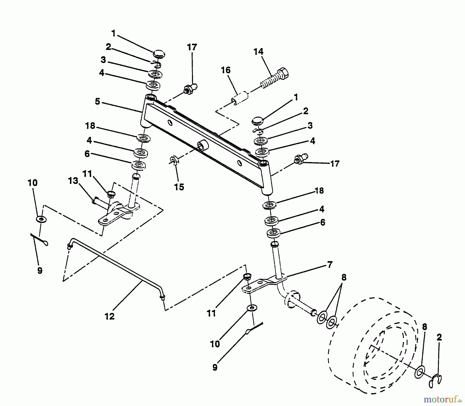
Hier finden Sie die Ersatzteilzeichnung für Husqvarna Rasen und Garten Traktoren LRH 125 (954000622) (HN125HR38B) - Husqvarna Lawn Tractor (1994-01 & After) Front Axle. Wählen Sie das benötigte Ersatzteil aus der Ersatzteilliste Ihres Husqvarna Gerätes aus und bestellen Sie einfach online. Viele Husqvarna Ersatzteile halten wir ständig in unserem Lager für Sie bereit.


Qualitätsmanagement
Informieren Sie uns, wenn Sie einen Fehler gefunden haben.






