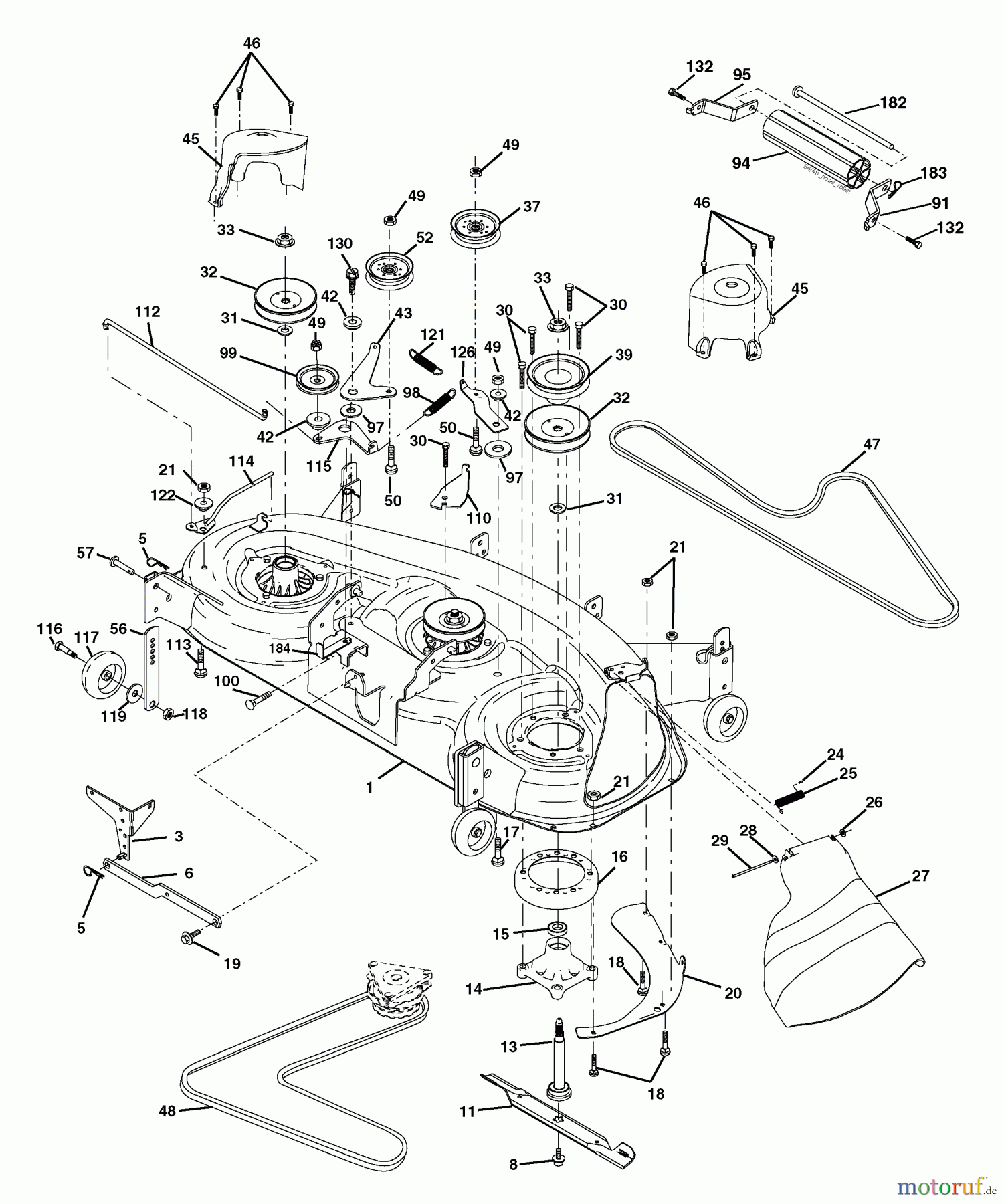
Husqvarna GTH 2548 (960230003) (917.279100) - Garden Tractor (2004-12 & After) (Sears Craftsman) Mower Deck Ersatzteile
Mower Deck GTH 2548 (960230003) (917.279100) - Husqvarna Garden Tractor (2004-12 & After) (Sears Craftsman)

Hier finden Sie die Ersatzteilzeichnung für Husqvarna Rasen und Garten Traktoren GTH 2548 (960230003) (917.279100) - Husqvarna Garden Tractor (2004-12 & After) (Sears Craftsman) Mower Deck. Wählen Sie das benötigte Ersatzteil aus der Ersatzteilliste Ihres Husqvarna Gerätes aus und bestellen Sie einfach online. Viele Husqvarna Ersatzteile halten wir ständig in unserem Lager für Sie bereit.


Qualitätsmanagement
Informieren Sie uns, wenn Sie einen Fehler gefunden haben.














