Husqvarna GTH 2448T (96043000901) - Garden Tractor (2006-06 & After) Drive Ersatzteile
Drive GTH 2448T (96043000901) - Husqvarna Garden Tractor (2006-06 & After)

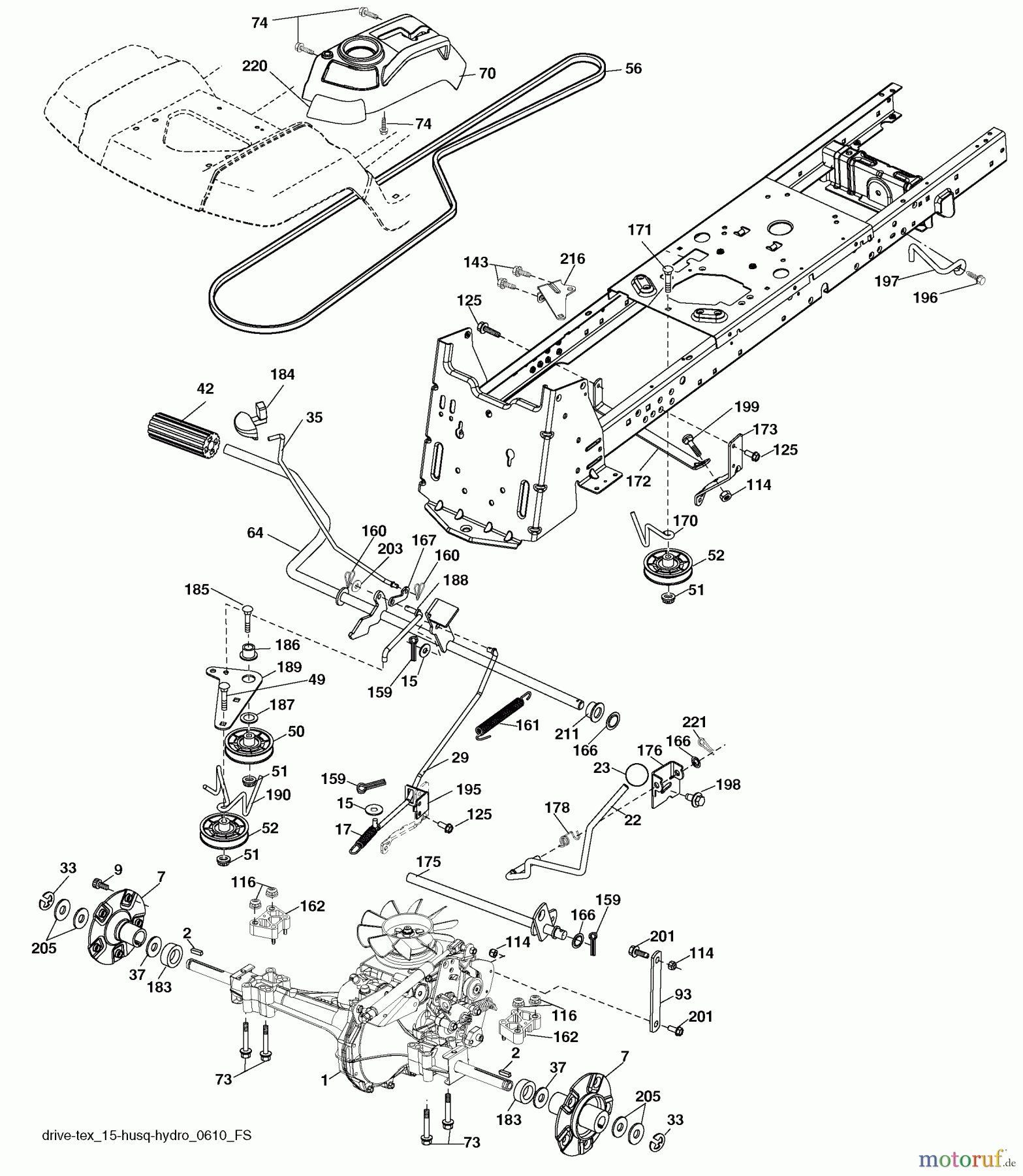
Hier finden Sie die Ersatzteilzeichnung für Husqvarna Rasen und Garten Traktoren GTH 2448T (96043000901) - Husqvarna Garden Tractor (2006-06 & After) Drive. Wählen Sie das benötigte Ersatzteil aus der Ersatzteilliste Ihres Husqvarna Gerätes aus und bestellen Sie einfach online. Viele Husqvarna Ersatzteile halten wir ständig in unserem Lager für Sie bereit.


Qualitätsmanagement
Informieren Sie uns, wenn Sie einen Fehler gefunden haben.








