Husqvarna GT 52XLS (96043015900) - Garden Tractor (2012-09 & After) MOWER LIFT / DECK LIFT Ersatzteile
MOWER LIFT / DECK LIFT GT 52XLS (96043015900) - Husqvarna Garden Tractor (2012-09 & After)

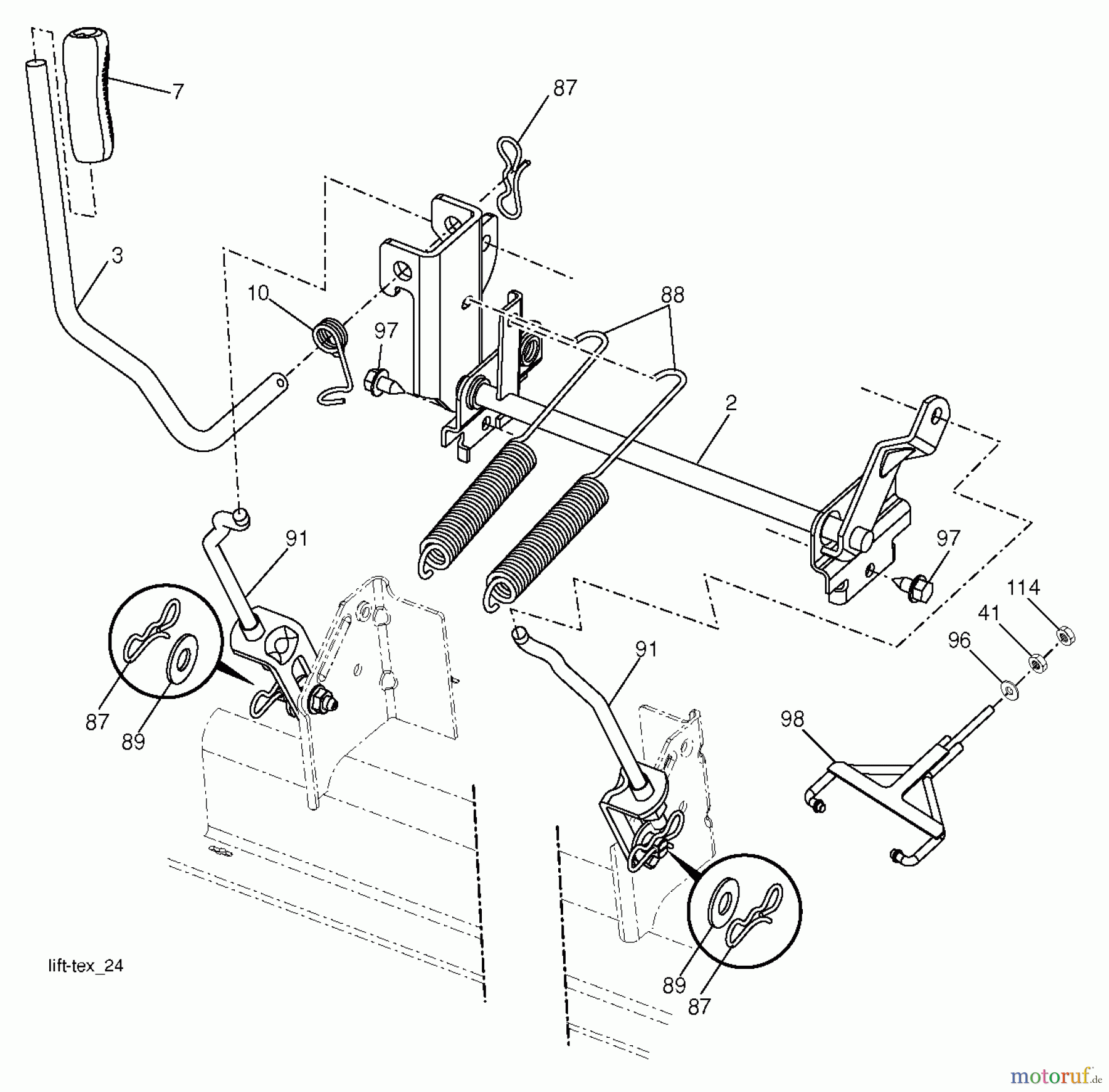
Hier finden Sie die Ersatzteilzeichnung für Husqvarna Rasen und Garten Traktoren GT 52XLS (96043015900) - Husqvarna Garden Tractor (2012-09 & After) MOWER LIFT / DECK LIFT. Wählen Sie das benötigte Ersatzteil aus der Ersatzteilliste Ihres Husqvarna Gerätes aus und bestellen Sie einfach online. Viele Husqvarna Ersatzteile halten wir ständig in unserem Lager für Sie bereit.
| BildNr | Artikel Nummer | Bezeichnung | |
| 2 | 532 42 20-27 | ACHSE | |
| 3 | 532 19 52-30 | HEBEL | |
| 7 | 532 41 15-55 | GRIFF | |
| 10 | 532 19 63-14 | FEDER | |
| 41 | 532 17 59-94 | MUTTER | |
| 87 | ![]() | 532 19 42-09 | FEDER |
| 88 | 532 19 53-04 | FEDER | |
| 89 | ![]() | 819 19 19-12 | SCHEIBE |
| 91 | 532 40 34-07 | GELENK HINTEN | |
| 96 | 532195263 | ||
| 97 | 817 00 06-12 | SCHRAUBE | |
| 98 | 574822501 | ||
| 114 | 873 61 07-00 | MUTTER | |





