Husqvarna 325 HE 3 - Hedge Trimmer (2001-05 & After) Starter Ersatzteile
Starter 325 HE 3 - Husqvarna Hedge Trimmer (2001-05 & After)

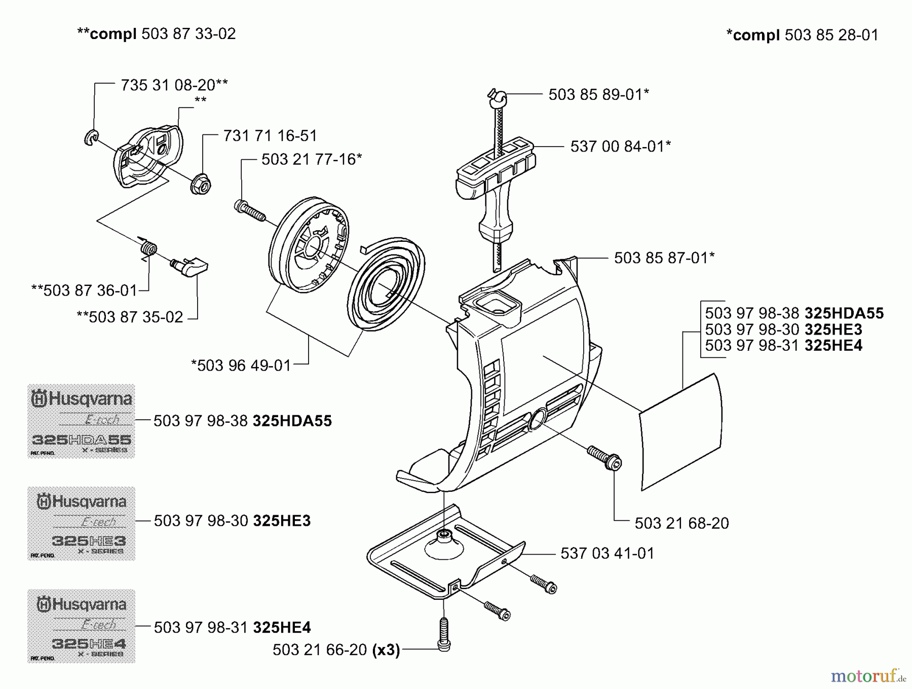
Hier finden Sie die Ersatzteilzeichnung für Husqvarna Heckenscheren 325 HE 3 - Husqvarna Hedge Trimmer (2001-05 & After) Starter. Wählen Sie das benötigte Ersatzteil aus der Ersatzteilliste Ihres Husqvarna Gerätes aus und bestellen Sie einfach online. Viele Husqvarna Ersatzteile halten wir ständig in unserem Lager für Sie bereit.
| BildNr | Artikel Nummer | Bezeichnung | |
| 503873302 | ![]() | 503 87 33-05 | KLINKENSATZ |
| 503852801 | 503 85 28-07 | STARTVORRICHTUNG KPL. | |
| 735310820 | ![]() | 735 31 08-20 | FEDERRING 4X9 |
| 503858901 | 503 85 89-01 | STARTERSEIL | |
| 731711651 | 731 71 16-51 | FLANSCHMUTTER | |
| 537008401 | 537 00 84-01 | GRIFF | |
| 503217716 | 503 21 77-16 | SCHRAUBE | |
| 503858701 | 503 85 87-01 | STARTERGEHAEUSE | |
| 503873601 | ![]() | 503 87 36-01 | FEDER |
| 503873502 | ![]() | 544 01 14-01 | HAKEN |
| 503979838 | 503 97 98-38 | AUFKLEBER | |
| 503979830 | 503 97 98-30 | AUFKLEBER | |
| 503979831 | 503 97 98-31 | AUFKLEBER | |
| 503964901 | ![]() | 503 96 49-01 | SEILROLLE |
| 503216820 | ![]() | 503 21 62-20 | SCHRAUBE |
| 537034101 | 537 03 41-01 | PLATTE | |
| 503216620 | 503 21 66-18 | SCHRAUBE | |


Qualitätsmanagement
Informieren Sie uns, wenn Sie einen Fehler gefunden haben.







