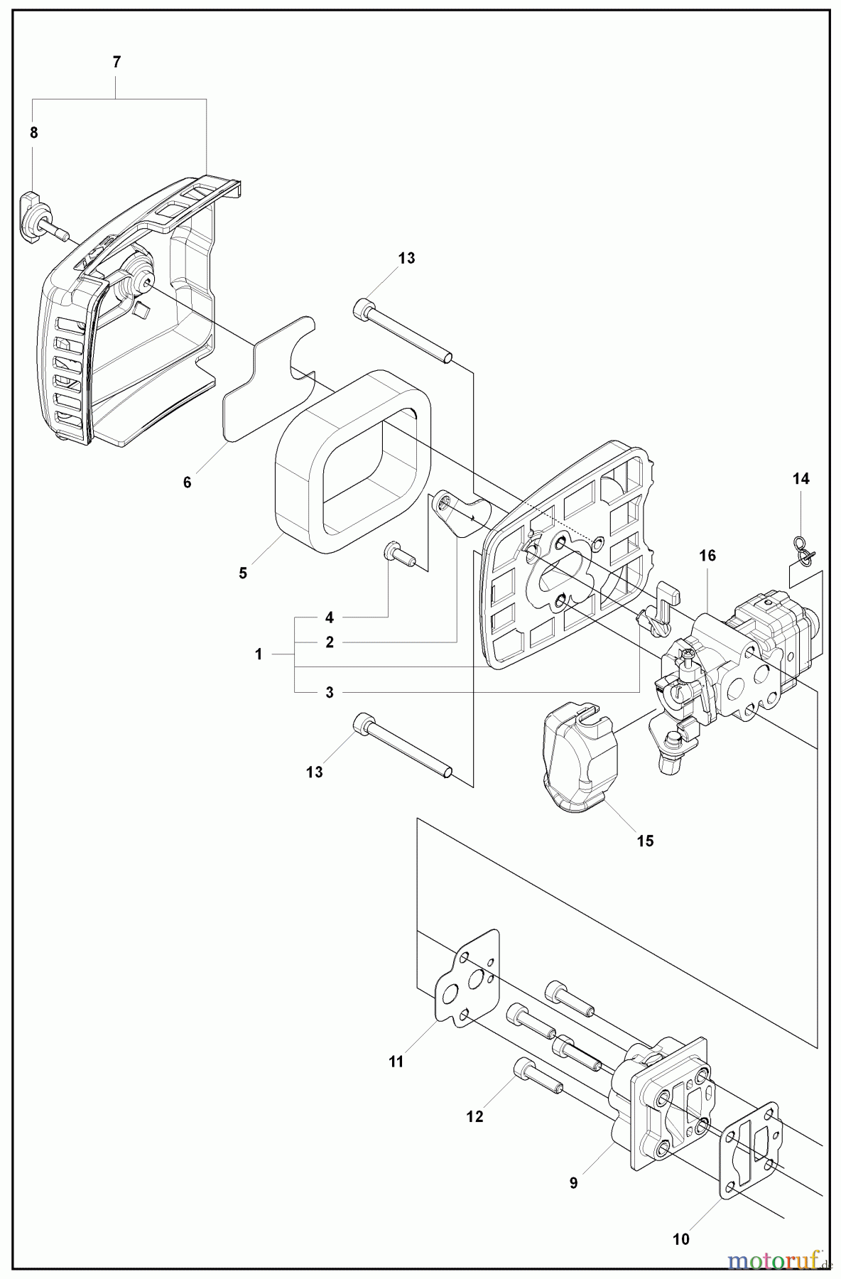
Husqvarna 226 HS 99 S - Hedge Trimmer (2008-02 & After) Carburetor and Intake and Air Filter Ersatzteile
Carburetor and Intake and Air Filter 226 HS 99 S - Husqvarna Hedge Trimmer (2008-02 & After)

Hier finden Sie die Ersatzteilzeichnung für Husqvarna Heckenscheren 226 HS 99 S - Husqvarna Hedge Trimmer (2008-02 & After) Carburetor and Intake and Air Filter. Wählen Sie das benötigte Ersatzteil aus der Ersatzteilliste Ihres Husqvarna Gerätes aus und bestellen Sie einfach online. Viele Husqvarna Ersatzteile halten wir ständig in unserem Lager für Sie bereit.


Qualitätsmanagement
Informieren Sie uns, wenn Sie einen Fehler gefunden haben.

