Husqvarna 225 H 60 - Hedge Trimmer (1996-12 to 1997-12) Air Filter/Carburetor Ersatzteile
Air Filter/Carburetor 225 H 60 - Husqvarna Hedge Trimmer (1996-12 to 1997-12)

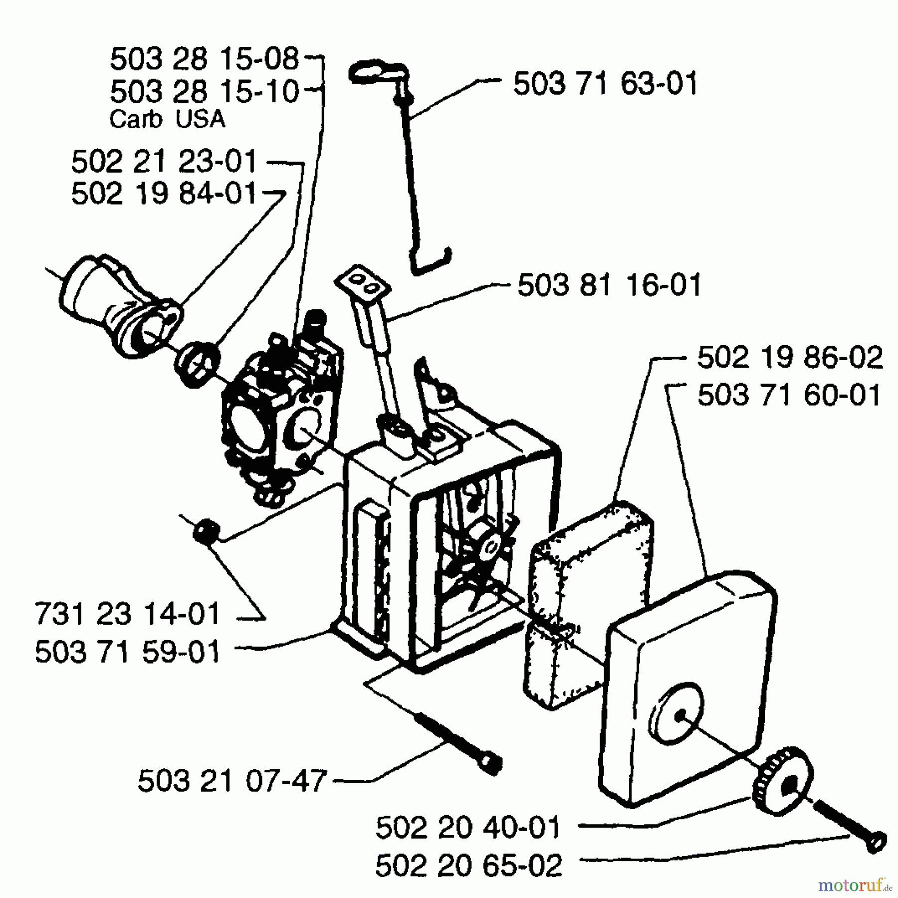
Hier finden Sie die Ersatzteilzeichnung für Husqvarna Heckenscheren 225 H 60 - Husqvarna Hedge Trimmer (1996-12 to 1997-12) Air Filter/Carburetor. Wählen Sie das benötigte Ersatzteil aus der Ersatzteilliste Ihres Husqvarna Gerätes aus und bestellen Sie einfach online. Viele Husqvarna Ersatzteile halten wir ständig in unserem Lager für Sie bereit.
| BildNr | Artikel Nummer | Bezeichnung | |
| 503281508 | 503 28 15-16 | VERGASER | |
| 503281510 | 503 28 15-10 | VERGASER | |
| 502212301 | 502 21 23-01 | FUEHRUNG | |
| 502198401 | 502 19 84-01 | VERGASERANSCHLUSS | |
| 503716301 | 503 71 63-01 | CHOKEGESTAENGE | |
| 503811601 | 503 81 16-01 | FUEHRUNGSHUELSE | |
| 502198602 | 502 19 86-02 | LUFTFILTER | |
| 503716001 | 503 71 60-01 | DECKEL | |
| 731231401 | ![]() | 731 23 14-01 | MUTTER |
| 503715901 | 537 02 49-01 | FILTERHALTER | |
| 503210747 | 503 21 07-50 | SCHRAUBE | |
| 502204001 | ![]() | 502 20 40-01 | KNEBEL |
| 502206502 | 502 20 65-02 | SCHRAUBE | |





