Husqvarna K 66 - Tuff Torq Transmission (2002-06 & After) Brake Ersatzteile
Brake K 66 - Tuff Torq Transmission (2002-06 & After)

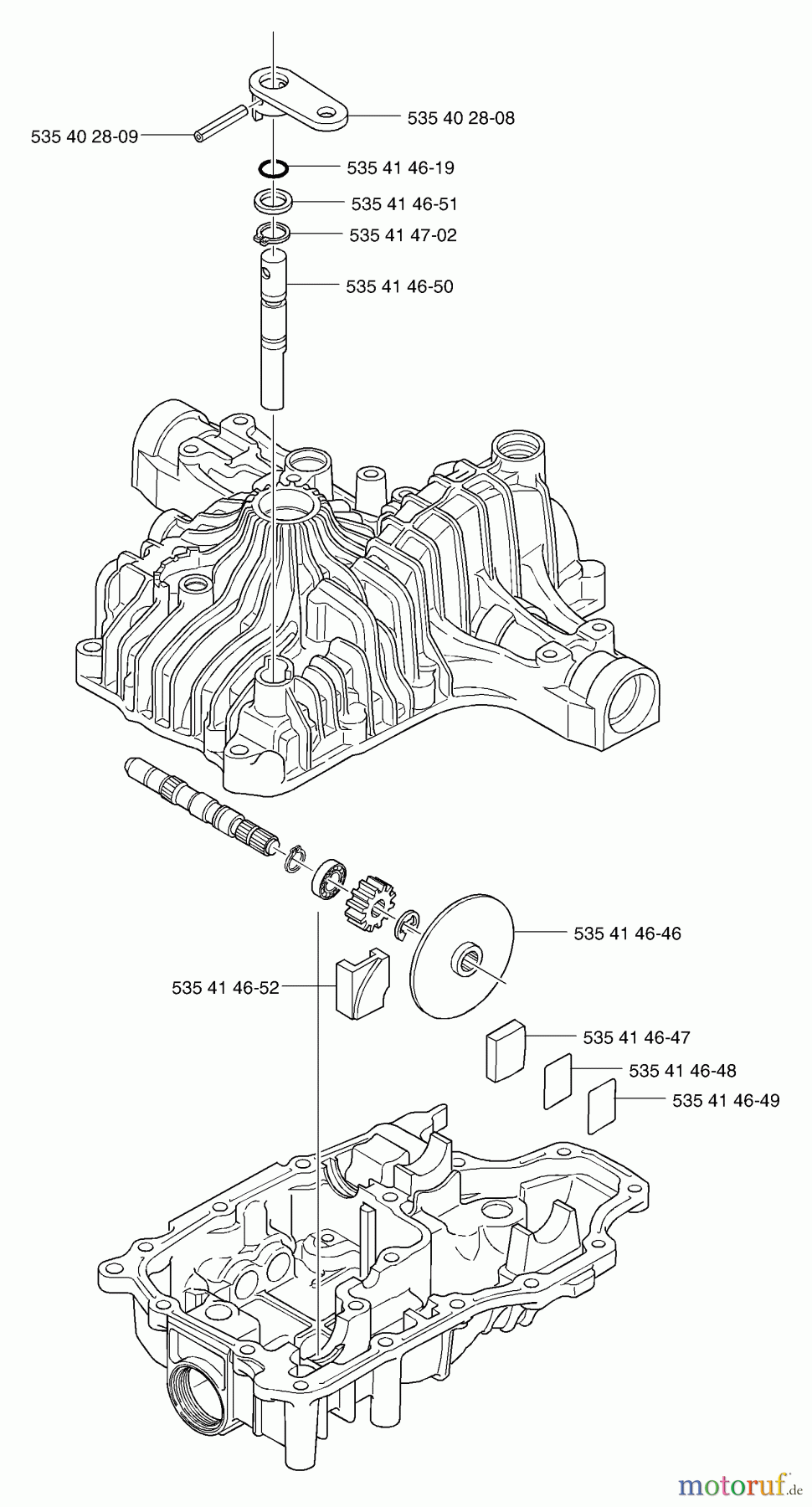
Hier finden Sie die Ersatzteilzeichnung für Husqvarna Motoren K 66 - Tuff Torq Transmission (2002-06 & After) Brake. Wählen Sie das benötigte Ersatzteil aus der Ersatzteilliste Ihres Husqvarna Gerätes aus und bestellen Sie einfach online. Viele Husqvarna Ersatzteile halten wir ständig in unserem Lager für Sie bereit.
| BildNr | Artikel Nummer | Bezeichnung | |
| 535402809 | 535 40 28-09 | STIFT 6*40 | |
| 535414652 | 535 41 46-52 | ZURRUNG | |
| 535414650 | 535 41 46-50 | ACHSE | |
| 535414619 | 535 41 46-19 | O-RING | |
| 535414702 | 535 41 47-02 | FEDERRING | |
| 535414651 | 535 41 46-51 | SCHEIBE | |
| 535402808 | 535 40 28-08 | BREMSHEBEL | |
| 535414646 | 535 41 46-46 | SCHEIBE | |
| 535414647 | 535 41 46-47 | BREMSSCHUH | |
| 535414648 | 535 41 46-48 | ZWISCHENLAEUFER | |
| 535414649 | 535 41 46-49 | ZWISCHENLAEUFER | |


Qualitätsmanagement
Informieren Sie uns, wenn Sie einen Fehler gefunden haben.

