Husqvarna HA 110 - Hedge Trimmer Attachment (2009-04 & After) Gear Ersatzteile
Gear HA 110 - Husqvarna Hedge Trimmer Attachment (2009-04 & After)

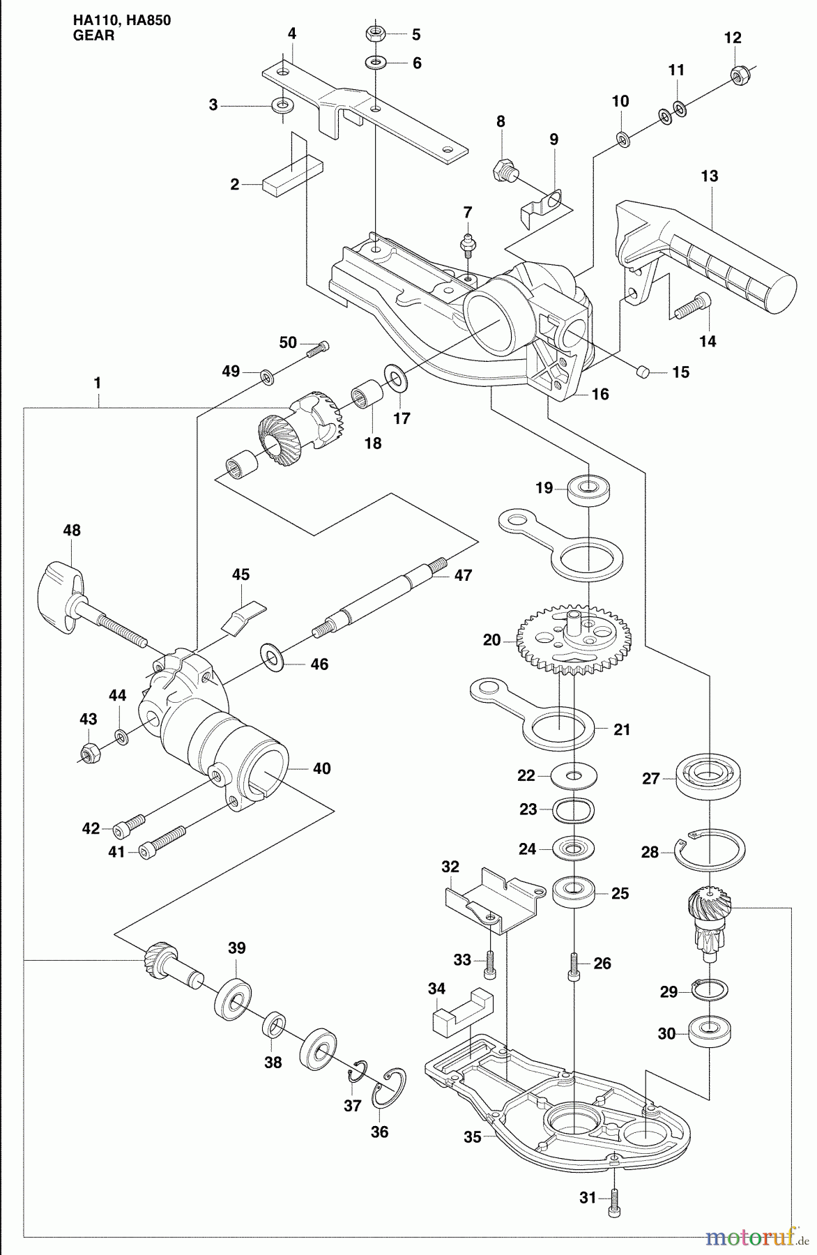
Hier finden Sie die Ersatzteilzeichnung für Husqvarna Zubehör HA 110 - Husqvarna Hedge Trimmer Attachment (2009-04 & After) Gear. Wählen Sie das benötigte Ersatzteil aus der Ersatzteilliste Ihres Husqvarna Gerätes aus und bestellen Sie einfach online. Viele Husqvarna Ersatzteile halten wir ständig in unserem Lager für Sie bereit.









