Husqvarna DS800 (504625401) - Drill Stand (2007-12 & After) Drill Stand Ersatzteile
Drill Stand DS800 (504625401) - Husqvarna Drill Stand (2007-12 & After)

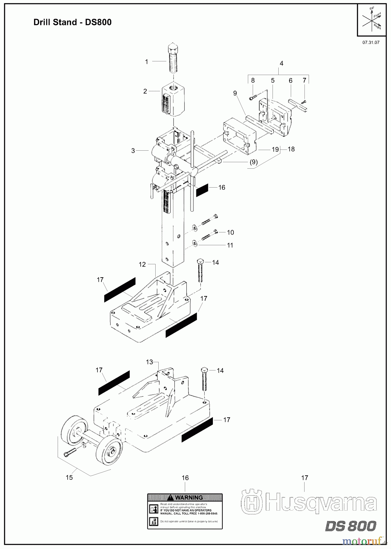
Hier finden Sie die Ersatzteilzeichnung für Husqvarna Zubehör DS800 (504625401) - Husqvarna Drill Stand (2007-12 & After) Drill Stand. Wählen Sie das benötigte Ersatzteil aus der Ersatzteilliste Ihres Husqvarna Gerätes aus und bestellen Sie einfach online. Viele Husqvarna Ersatzteile halten wir ständig in unserem Lager für Sie bereit.
| BildNr | Artikel Nummer | Bezeichnung | |
| 1 | 541401137 | ||
| 2 | 541402574 | ||
| 541401109 | |||
| 541401107 | |||
| 541401105 | |||
| 541404256 | |||
| 3 | 541400562 | ||
| 3 | 541401507 | ||
| 4 | 541401240 | ||
| 5 | 541401283 | ||
| 6 | 541401277 | ||
| 7 | 541205036 | ||
| 8 | 020470 | ||
| 8 | 020469 | ||
| 8 | 174446 | ||
| 9 | 541400498 | ||
| 10 | 020495 | ||
| 11 | 020747 | ||
| 12 | 541403895 | ||
| 13 | 502494001 | ||
| 14 | 541403519 | ||
| 15 | 541401126 | ||
| 16 | 174545 | ||
| 17 | 502464301 | ||
| 18 | 504544201 | ||
| 19 | 502624801 | ||
| 539300870 | |||


Qualitätsmanagement
Informieren Sie uns, wenn Sie einen Fehler gefunden haben.

