MTD Smart 53 MB 11A-A05B600 (2020) Deflektor, Mähwerksgehäuse, Mulchklappe, Leitstück hinten Ersatzteile
Deflektor, Mähwerksgehäuse, Mulchklappe, Leitstück hinten 11A-A05B600 (2020)

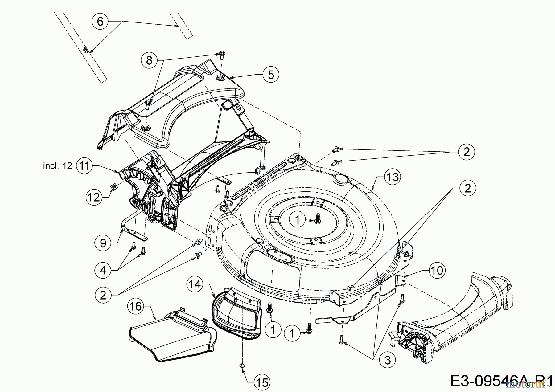
Hier finden Sie die Ersatzteilzeichnung für MTD Motormäher Smart 53 MB 11A-A05B600 (2020) Deflektor, Mähwerksgehäuse, Mulchklappe, Leitstück hinten. Wählen Sie das benötigte Ersatzteil aus der Ersatzteilliste Ihres MTD Gerätes aus und bestellen Sie einfach online. Viele MTD Ersatzteile halten wir ständig in unserem Lager für Sie bereit.


Qualitätsmanagement
Informieren Sie uns, wenn Sie einen Fehler gefunden haben.






