MTD Smart 46 PB 11A-TA5B600 (2019) Mähwerksgehäuse Ersatzteile
Mähwerksgehäuse 11A-TA5B600 (2019)

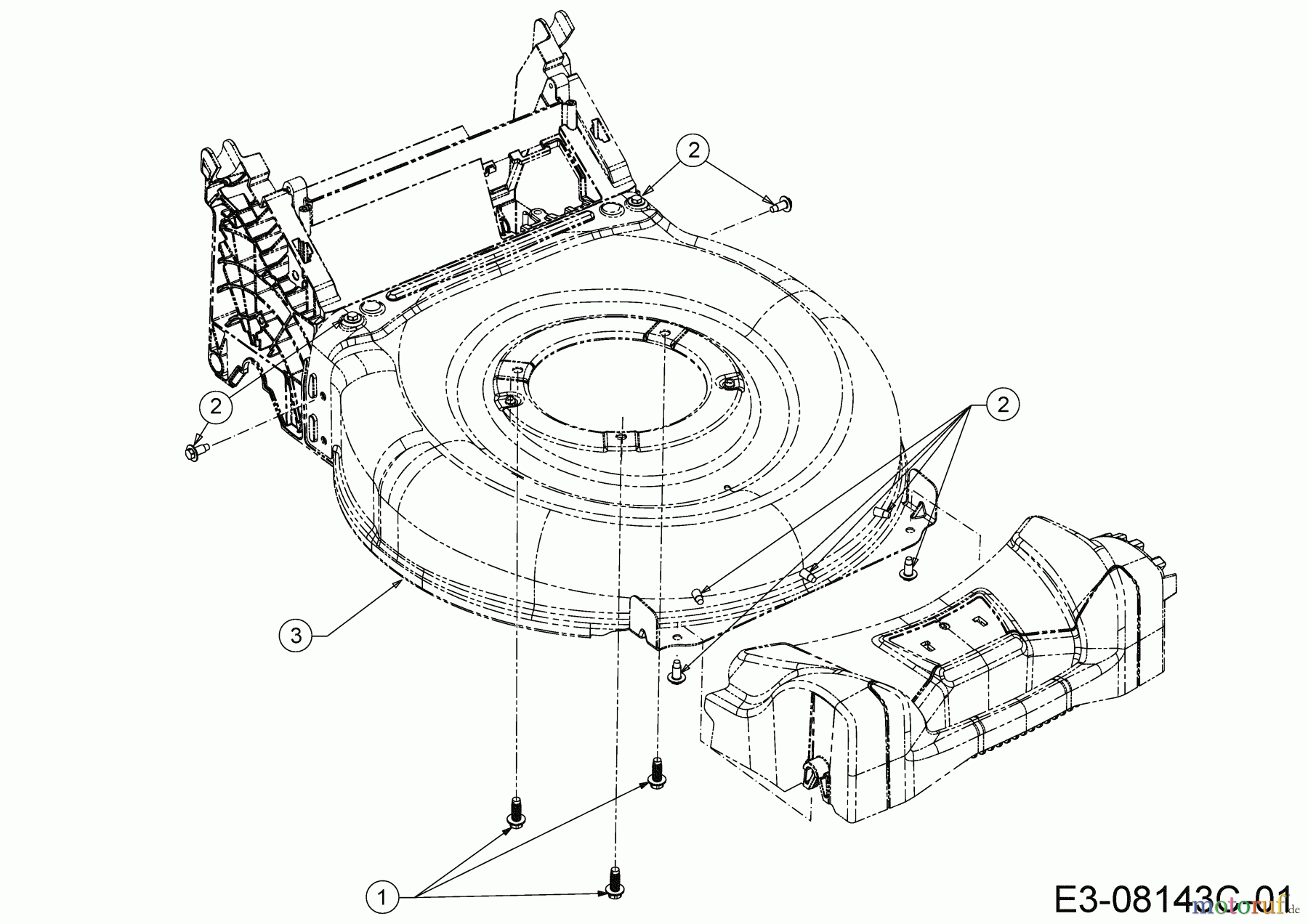
Hier finden Sie die Ersatzteilzeichnung für MTD Motormäher Smart 46 PB 11A-TA5B600 (2019) Mähwerksgehäuse. Wählen Sie das benötigte Ersatzteil aus der Ersatzteilliste Ihres MTD Gerätes aus und bestellen Sie einfach online. Viele MTD Ersatzteile halten wir ständig in unserem Lager für Sie bereit.
| BildNr | Artikel Nummer | Bezeichnung | |
| 1 | ![]() | 710-04683C | 6KT-SCHRAUBE:TT:3/8-16:1.000 |
| 2 | ![]() | 710-07434 | LINSENKOPFSCHR:8mm-3.59:20 |
| 3 | 787-03071A-R | MÄHWERKSGEHÄUSE | |


Qualitätsmanagement
Informieren Sie uns, wenn Sie einen Fehler gefunden haben.



