MTD Smart 42 PO 11C-LASJ600 (2019) Mähwerksgehäuse bis 30.06.2019 Ersatzteile
Mähwerksgehäuse bis 30.06.2019 11C-LASJ600 (2019)

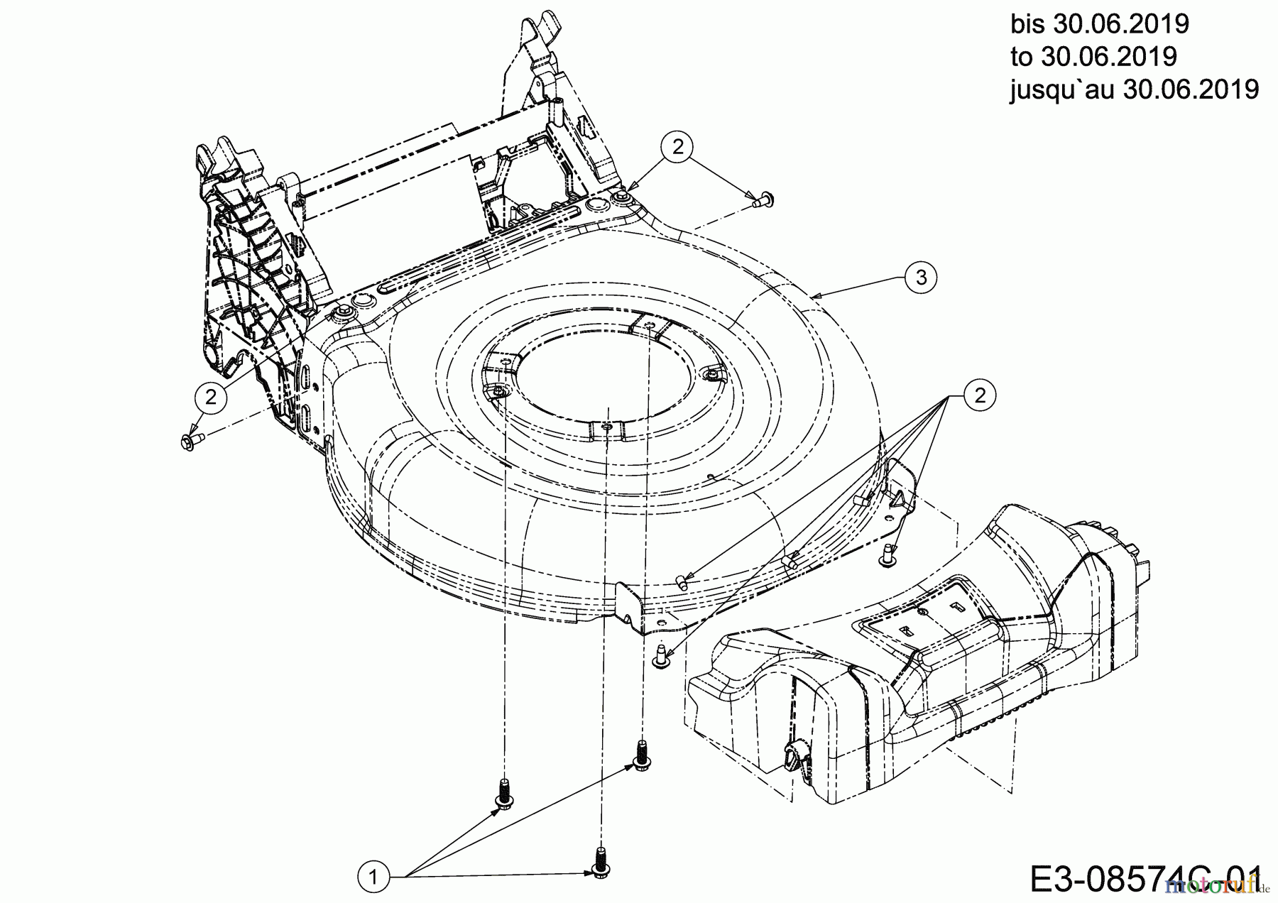
Hier finden Sie die Ersatzteilzeichnung für MTD Motormäher Smart 42 PO 11C-LASJ600 (2019) Mähwerksgehäuse bis 30.06.2019. Wählen Sie das benötigte Ersatzteil aus der Ersatzteilliste Ihres MTD Gerätes aus und bestellen Sie einfach online. Viele MTD Ersatzteile halten wir ständig in unserem Lager für Sie bereit.
BildNr | Artikel Nummer | Bezeichnung | |
1 | ![]() | 710-04683C | 6KT-SCHRAUBE:TT:3/8-16:1.000 |
2 | ![]() | 710-07434 | LINSENKOPFSCHR:8mm-3.59:20 |
3 | 787-03072B-R | MÄHWERKSGEHÄUSE 42CM 2IN1 |


Qualitätsmanagement
Informieren Sie uns, wenn Sie einen Fehler gefunden haben.