Bricolage INV A13092 AB 13A776SE648 (2022) Mähwerk 92cm Ersatzteile
Mähwerk 92cm 13A776SE648 (2022)

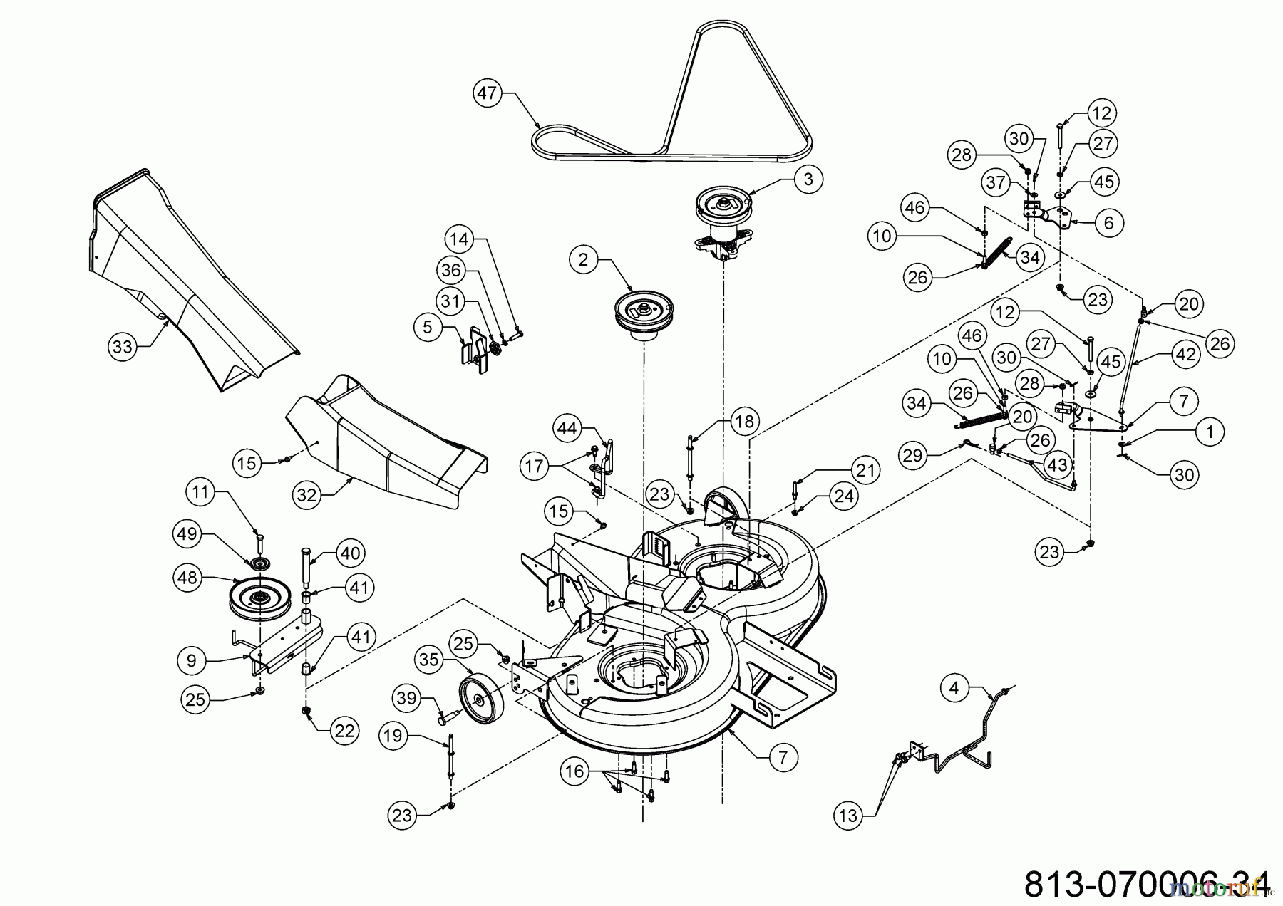
Hier finden Sie die Ersatzteilzeichnung für Bricolage Rasentraktoren INV A13092 AB 13A776SE648 (2022) Mähwerk 92cm. Wählen Sie das benötigte Ersatzteil aus der Ersatzteilliste Ihres Bricolage Gerätes aus und bestellen Sie einfach online. Viele Bricolage Ersatzteile halten wir ständig in unserem Lager für Sie bereit.




































