Troy-Bilt TB 60T-S SELECT 13AA26JC609 (2024) Mähwerk C (24"/60cm) Ersatzteile
Mähwerk C (24"/60cm) 13AA26JC609 (2024)

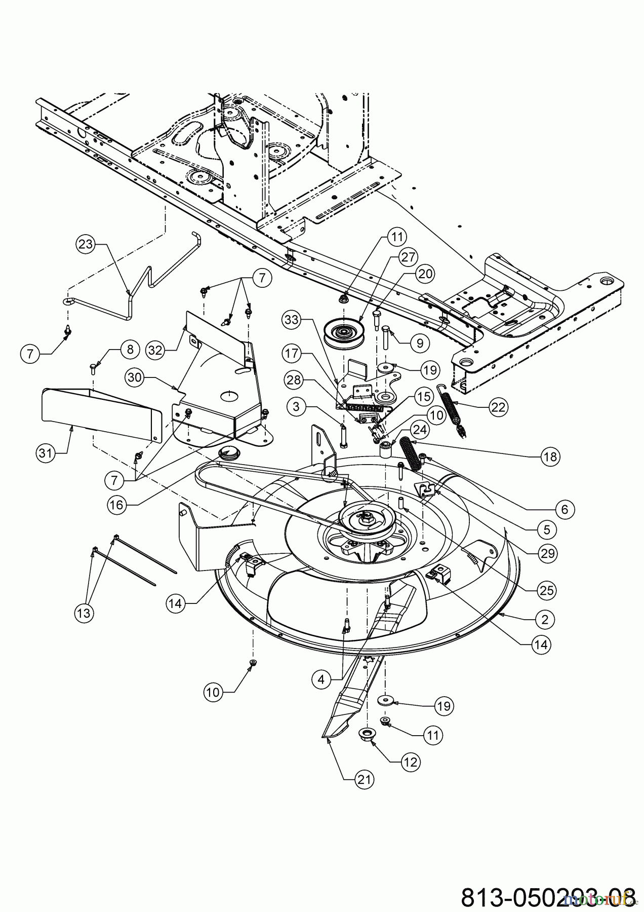
Hier finden Sie die Ersatzteilzeichnung für Troy-Bilt Rasentraktoren TB 60T-S SELECT 13AA26JC609 (2024) Mähwerk C (24"/60cm). Wählen Sie das benötigte Ersatzteil aus der Ersatzteilliste Ihres Troy-Bilt Gerätes aus und bestellen Sie einfach online. Viele Troy-Bilt Ersatzteile halten wir ständig in unserem Lager für Sie bereit.


Qualitätsmanagement
Informieren Sie uns, wenn Sie einen Fehler gefunden haben.

















