Troy-Bilt PONY 92T-S SELECT 13A777BY609 (2024) Fahrantrieb, Keilriemen, Pedal Ersatzteile
Fahrantrieb, Keilriemen, Pedal 13A777BY609 (2024)

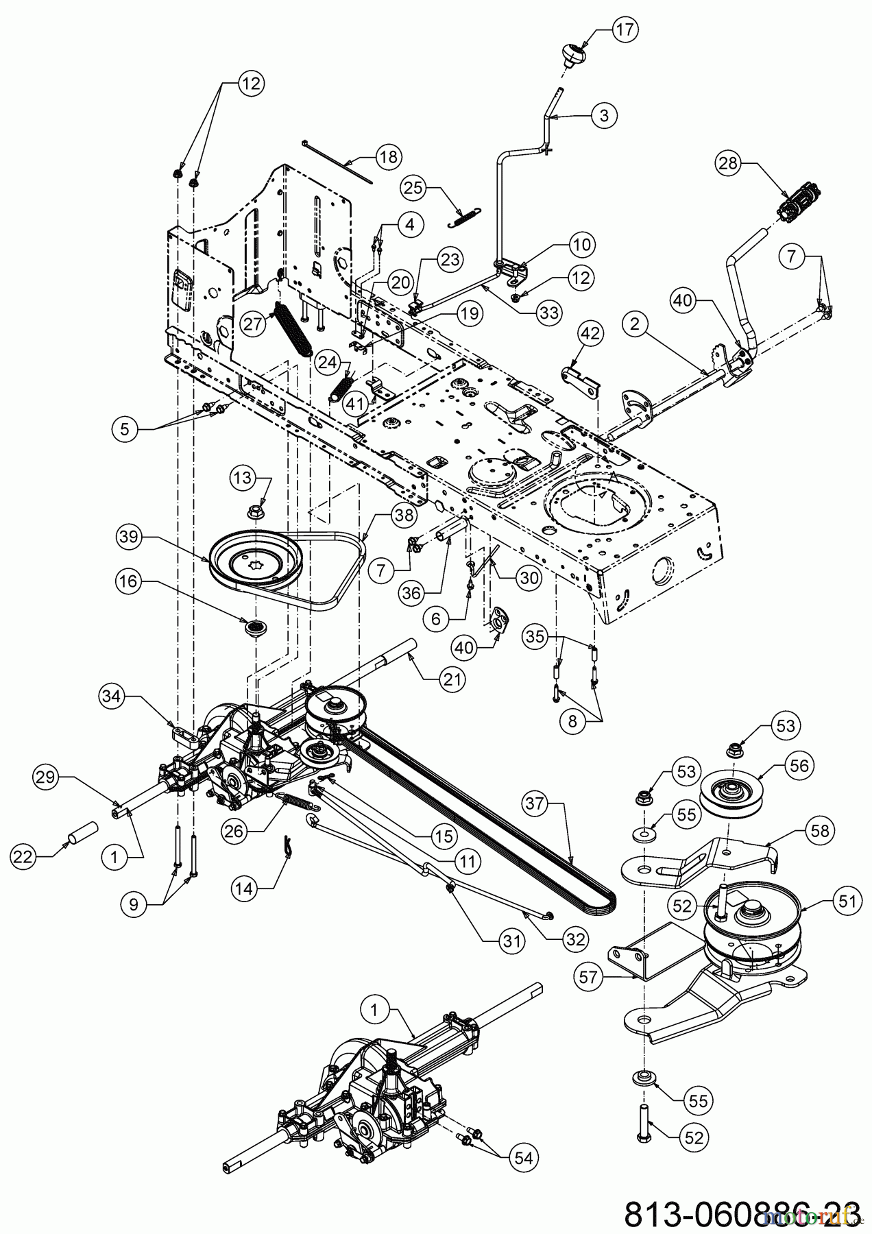
Hier finden Sie die Ersatzteilzeichnung für Troy-Bilt Rasentraktoren PONY 92T-S SELECT 13A777BY609 (2024) Fahrantrieb, Keilriemen, Pedal. Wählen Sie das benötigte Ersatzteil aus der Ersatzteilliste Ihres Troy-Bilt Gerätes aus und bestellen Sie einfach online. Viele Troy-Bilt Ersatzteile halten wir ständig in unserem Lager für Sie bereit.


Qualitätsmanagement
Informieren Sie uns, wenn Sie einen Fehler gefunden haben.

























