Troy-Bilt PONY 92T-S SELECT 13A777BY609 (2024) Mähwerk Y (36"/92cm) Ersatzteile
Mähwerk Y (36"/92cm) 13A777BY609 (2024)

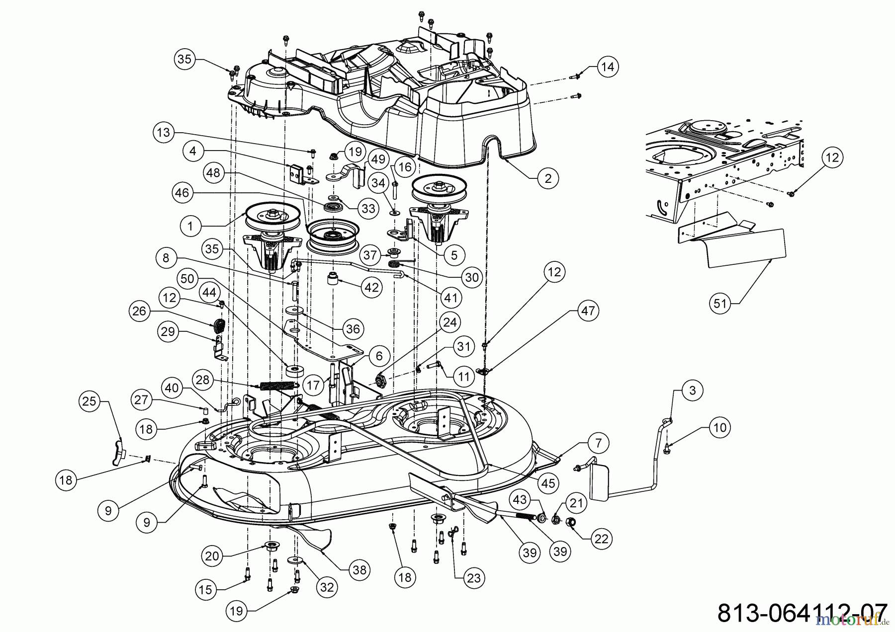
Hier finden Sie die Ersatzteilzeichnung für Troy-Bilt Rasentraktoren PONY 92T-S SELECT 13A777BY609 (2024) Mähwerk Y (36"/92cm). Wählen Sie das benötigte Ersatzteil aus der Ersatzteilliste Ihres Troy-Bilt Gerätes aus und bestellen Sie einfach online. Viele Troy-Bilt Ersatzteile halten wir ständig in unserem Lager für Sie bereit.


























