Troy-Bilt BRONCO 92T-R 13A871BE609 (2023) Hydrostat, Keilriemen, Pedale Ersatzteile
Hydrostat, Keilriemen, Pedale 13A871BE609 (2023)

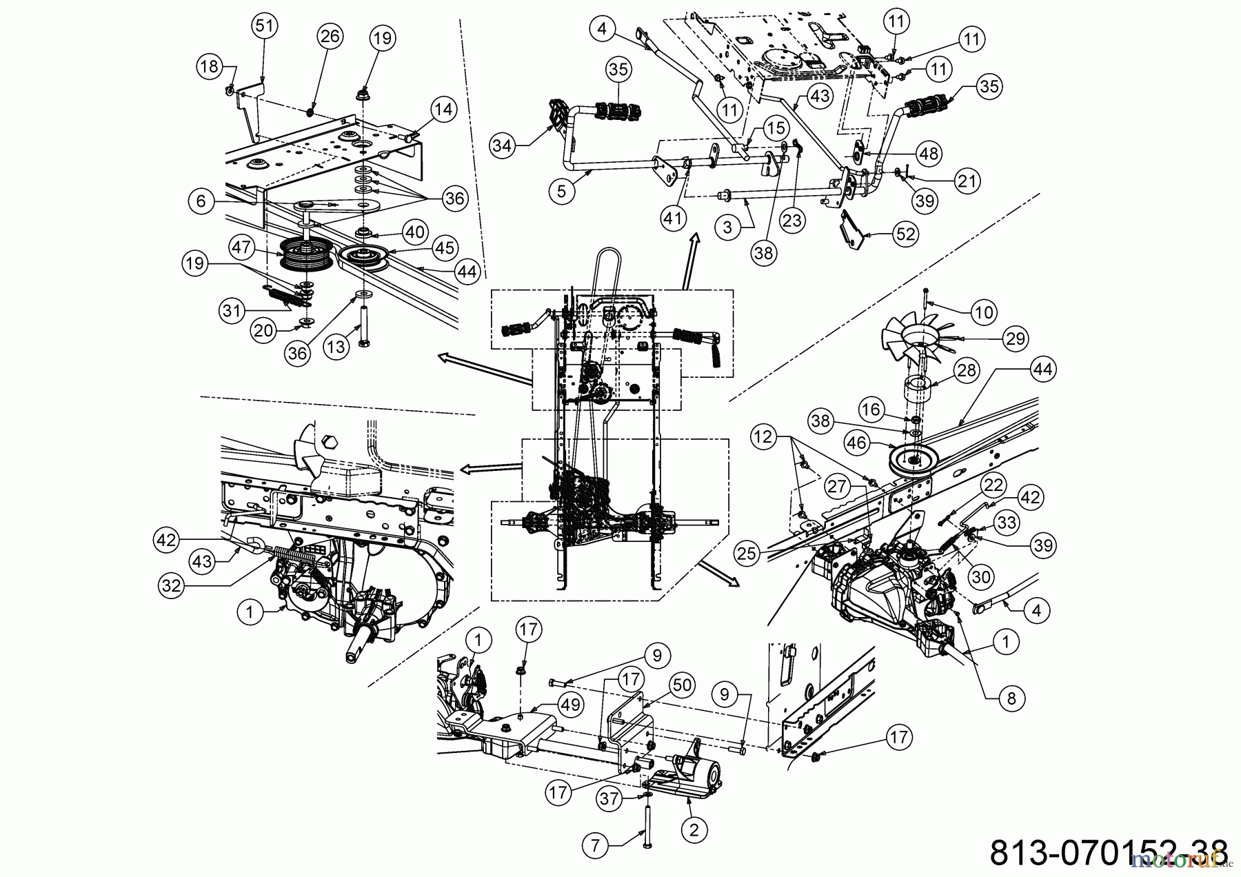
Hier finden Sie die Ersatzteilzeichnung für Troy-Bilt Rasentraktoren BRONCO 92T-R 13A871BE609 (2023) Hydrostat, Keilriemen, Pedale. Wählen Sie das benötigte Ersatzteil aus der Ersatzteilliste Ihres Troy-Bilt Gerätes aus und bestellen Sie einfach online. Viele Troy-Bilt Ersatzteile halten wir ständig in unserem Lager für Sie bereit.
Häufig benötigte Troy-Bilt BRONCO 92T-R 13A871BE609 (2023) Hydrostat, Keilriemen, Pedale Ersatzteile

Artikelnummer: 754-04258
Suche nach: 754-04258
Hersteller: MTD
Troy-Bilt Ersatzteil Hydrostat, Keilriemen, Pedale
Suche nach: 754-04258
Hersteller: MTD
Troy-Bilt Ersatzteil Hydrostat, Keilriemen, Pedale
96.93 €
für EU incl. MwSt., zzgl. Versand


Qualitätsmanagement
Informieren Sie uns, wenn Sie einen Fehler gefunden haben.



























