Verts Loisirs VL 117 H 13BTA1KT617 (2022) Motorzubehör Ersatzteile
Motorzubehör 13BTA1KT617 (2022)

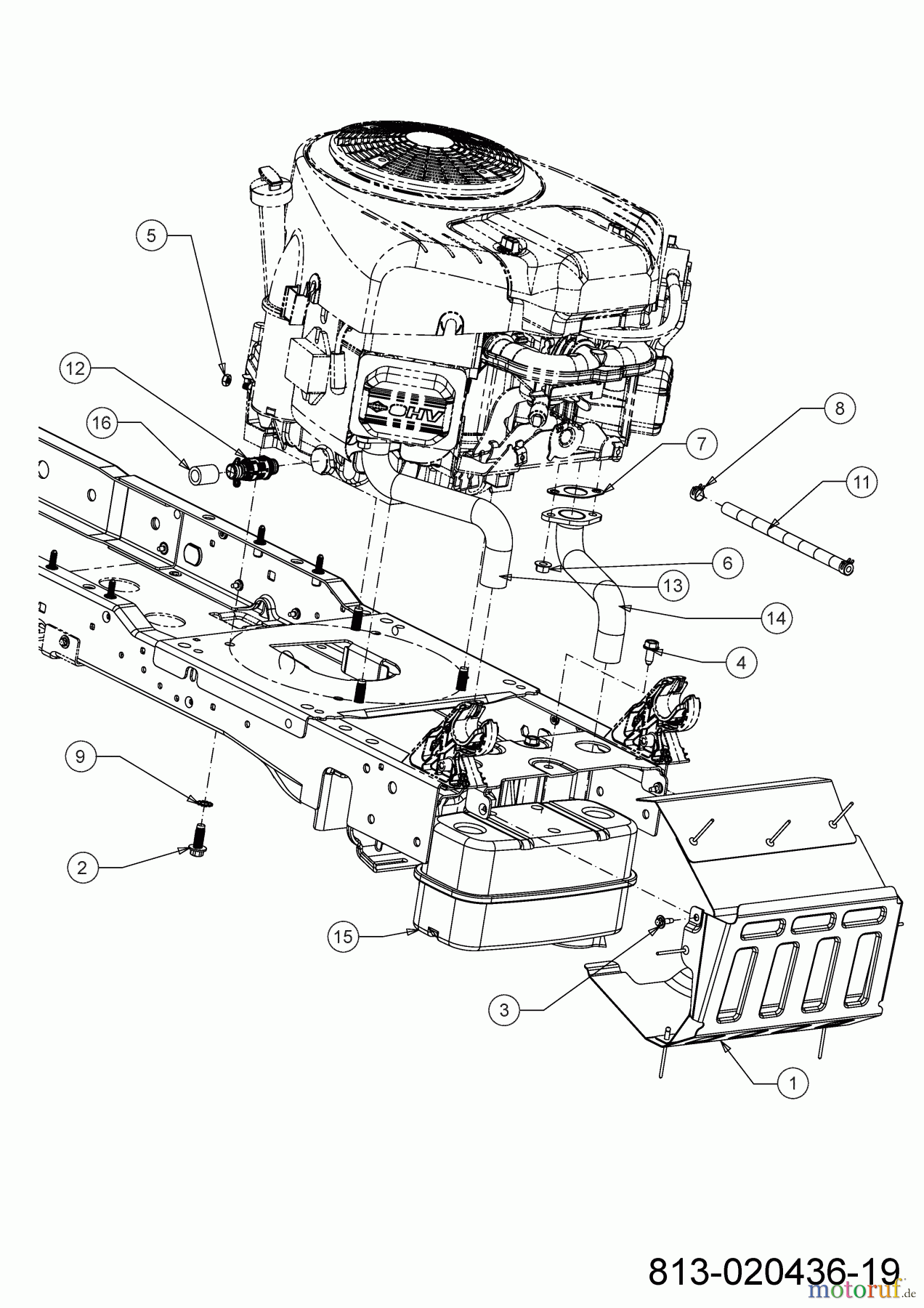
Hier finden Sie die Ersatzteilzeichnung für Verts Loisirs Rasentraktoren VL 117 H 13BTA1KT617 (2022) Motorzubehör. Wählen Sie das benötigte Ersatzteil aus der Ersatzteilliste Ihres Verts Loisirs Gerätes aus und bestellen Sie einfach online. Viele Verts Loisirs Ersatzteile halten wir ständig in unserem Lager für Sie bereit.


Qualitätsmanagement
Informieren Sie uns, wenn Sie einen Fehler gefunden haben.





