MTD Optima ME 66 T 31AY7FS3678 (2024) Schaufelrad, Spannrolle, Reinigungswerkzeug Ersatzteile
Schaufelrad, Spannrolle, Reinigungswerkzeug 31AY7FS3678 (2024)

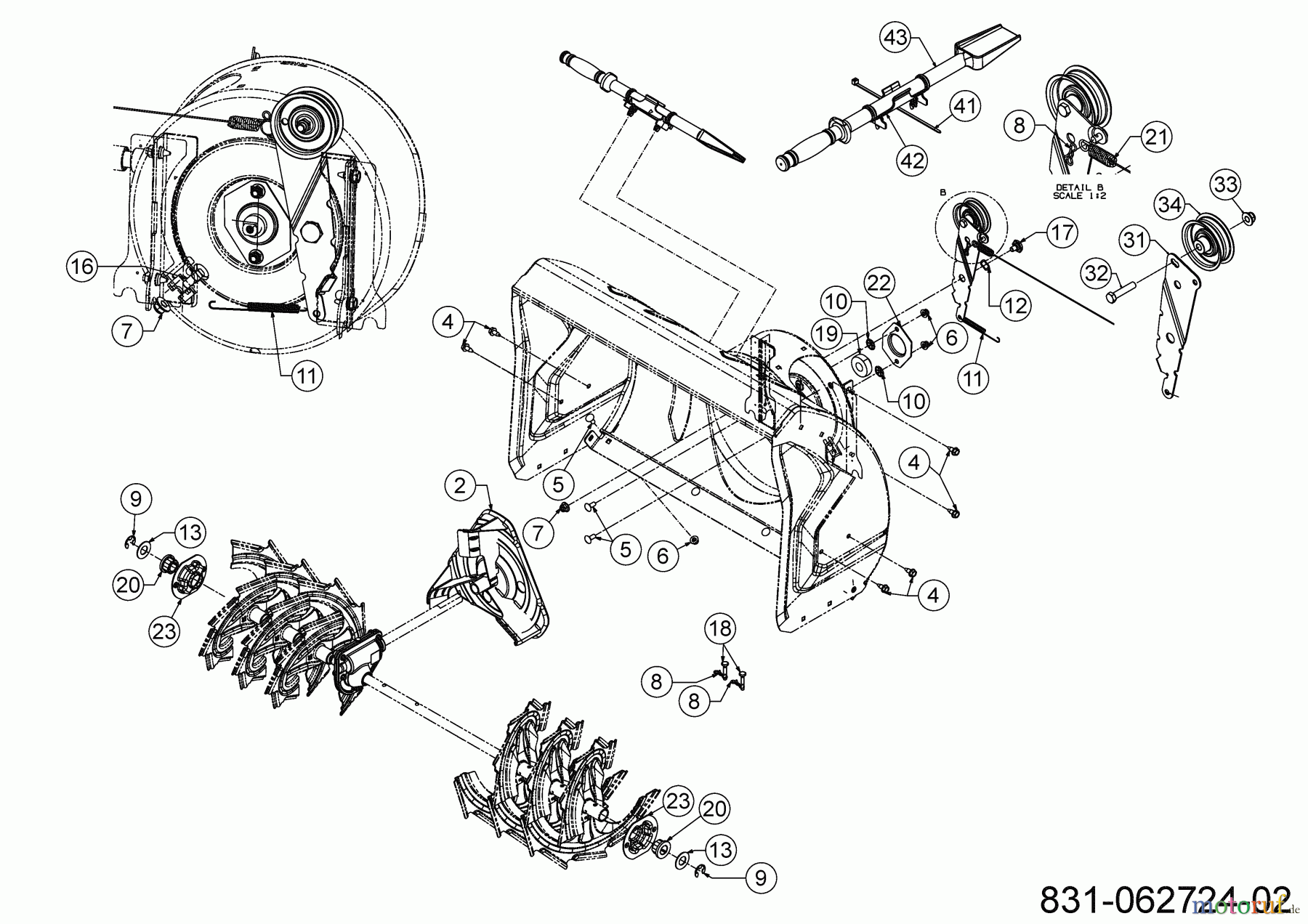
Hier finden Sie die Ersatzteilzeichnung für MTD Schneefräsen Optima ME 66 T 31AY7FS3678 (2024) Schaufelrad, Spannrolle, Reinigungswerkzeug. Wählen Sie das benötigte Ersatzteil aus der Ersatzteilliste Ihres MTD Gerätes aus und bestellen Sie einfach online. Viele MTD Ersatzteile halten wir ständig in unserem Lager für Sie bereit.

















