MTD Smart 46 SPBS 12D-TY5B600 (2021) Getriebe, Keilriemen Ersatzteile
Getriebe, Keilriemen 12D-TY5B600 (2021)

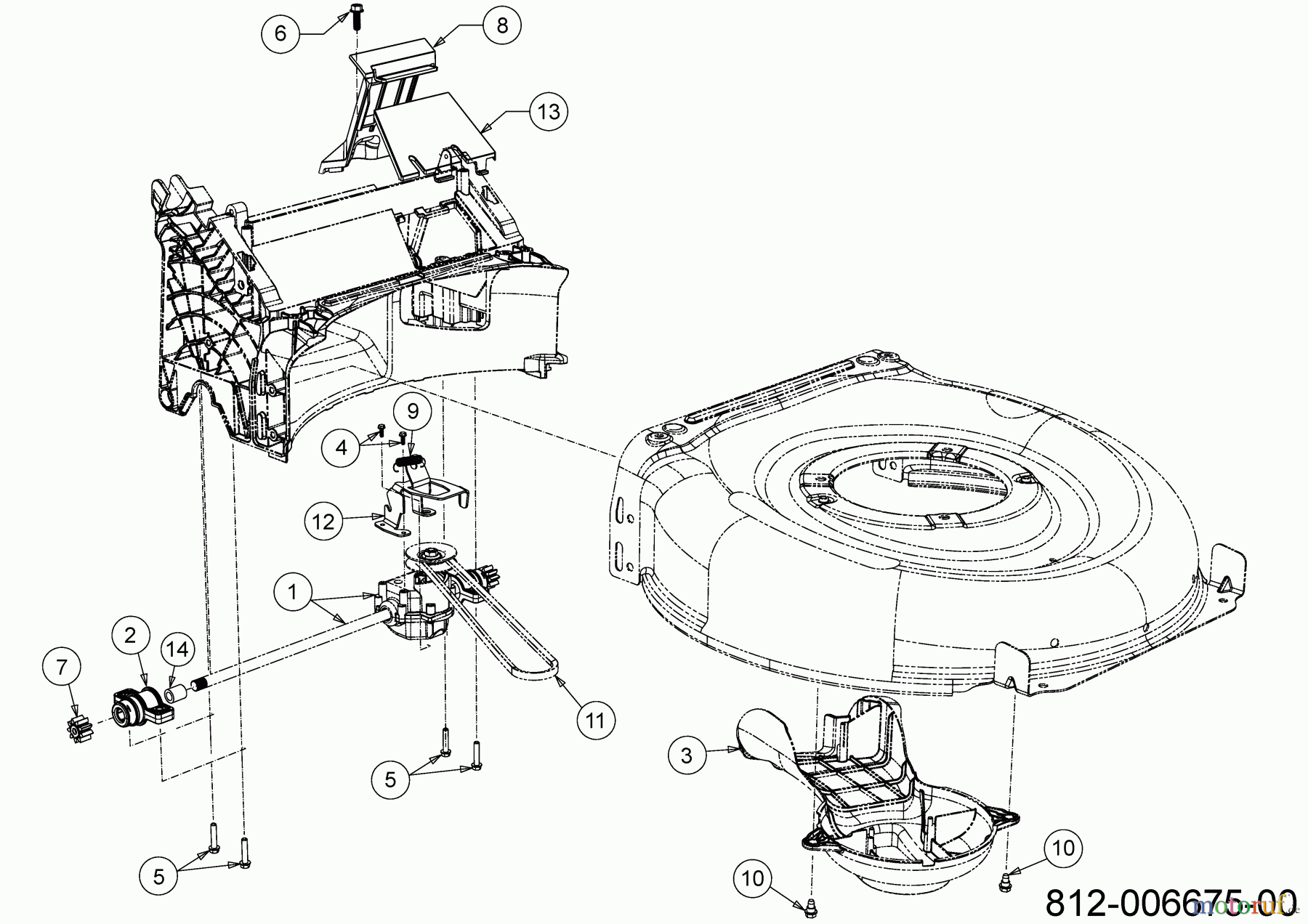
Hier finden Sie die Ersatzteilzeichnung für MTD Motormäher mit Antrieb Smart 46 SPBS 12D-TY5B600 (2021) Getriebe, Keilriemen. Wählen Sie das benötigte Ersatzteil aus der Ersatzteilliste Ihres MTD Gerätes aus und bestellen Sie einfach online. Viele MTD Ersatzteile halten wir ständig in unserem Lager für Sie bereit.


Qualitätsmanagement
Informieren Sie uns, wenn Sie einen Fehler gefunden haben.









