MTD LT 107 EXHK 13CG79KG682 (2021) Motorzubehör Ersatzteile
Motorzubehör 13CG79KG682 (2021)

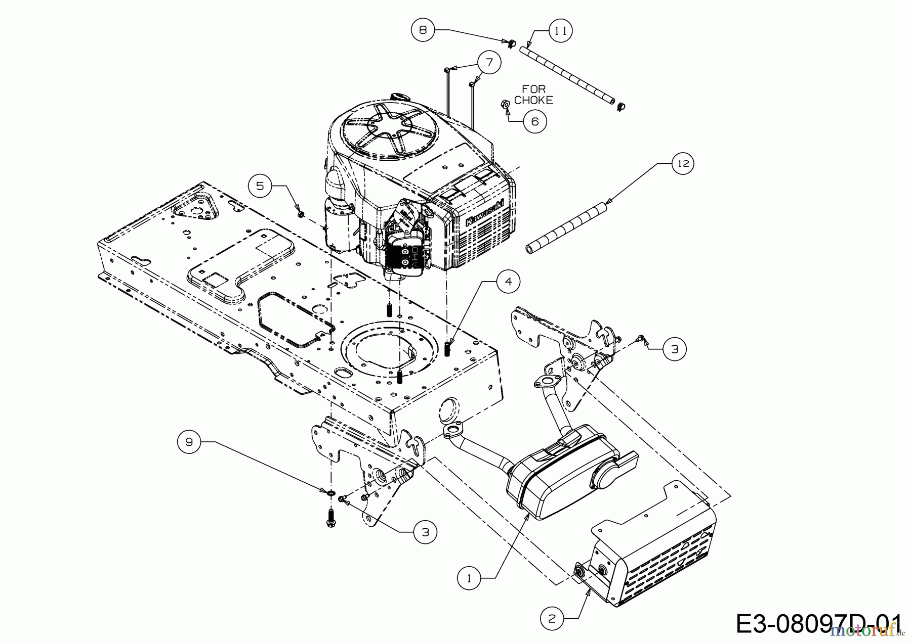
Hier finden Sie die Ersatzteilzeichnung für MTD Rasentraktoren LT 107 EXHK 13CG79KG682 (2021) Motorzubehör. Wählen Sie das benötigte Ersatzteil aus der Ersatzteilliste Ihres MTD Gerätes aus und bestellen Sie einfach online. Viele MTD Ersatzteile halten wir ständig in unserem Lager für Sie bereit.


Qualitätsmanagement
Informieren Sie uns, wenn Sie einen Fehler gefunden haben.






